| 加工定製 | 否 | 類型 | 沖床檢知器 | 品牌 | SUNKWANG |
| 型號 | SKL-902 | 適用范圍 | 下死點檢知器 | 產品別名 | 檢知器 |
| 保護 | 模具保護裝置 |


| Specifications | ||
Sensor Type | Strain Gauge(350????????) 2 or 4 | |
Sensor Inputs | +5V and -5VDC(10V) at 70mA maximum Short & Open Circuit protected | |
Analog Output | 0~2.5VDC, 3.5mm Stereo Phone Jack | |
Sensitivity | HighGain 0.057????????/V - 0.625????????/V | |
Low Gain 0.568????????/V - 5.00????????/V | ||
Automatic Zero | Automatic Circuits maintain true zero during periods between | |
Balance | Measurements. This assures sensor and | |
instrument accuracy regardless of ambient temperature excursions. | ||
Manual Zero Balance | ± 1????????/V | |
Gain Control | Low Gain(×1) Gain modulus : 40 ~ 440 | |
High Gain (×10) Gain modulus : 400 ~ 4400 | ||
Frequency Response | 0 ~ 1???????? | |
Speed | 0 ~ 400 SPM(Threshold Trigger) | |
400 ~ 3000 SPM(Cam Probe Trigger) | ||
Digital Display | 5-Digit × 3 or 5-Digit × 5 | |
Cam Input | 10~30VDC, Maximum 50???????? NPN or PNP | |
Proximity Switch or Limit Switch | ||
Relay Output | NC, NO Contact, 10A (AC120V) | |
Computer Interface | RS 485 / 232 (Option) | |
Security | Security Key jumper provides protection to the monitor settings from being | |
Changed by | ||
Unauthorized person. | ||
Power Requirement | 3W, 90~130VAC (50/60????????) or 170~280VAC (50/60????????) | |
Operating Temperature | 0 ~ 70℃ | |
Weight | Approximately 4.3㎏ | |

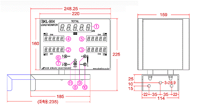
1 | DISPLAY (TOTAL) | 負重,調定點,顯示計數器,顯示小數點和字母 |
2 | DISPLAY (CH1) | 顯示各信道的負重,2個和4個的感應信通上輸入各種數據, |
3 | DISPLAY (CH2) | 在正麵 左/右側和後麵的左/右測顯示負重。 |
4 | DISPLAY (CH3) | SKL-90□ Model是 2個還有4個的感應信通上顯示信號 |
5 | DISPLAY (CH4) | - SKL-902(左1CH,右2CH), SKL-904(正麵左1CH,右2CH/後麵左3CH,右4CH) |
6 | HIGH S/W | 設置上限負重時使用 |
7 | LOW S/W | 設置下限負重時使用 |
8 | RESET S/W | 用於重設警告和基礎負重標示及模式的 ENTER KEY |
9 | UP S/W | 增加各種設置值時使用 |
10 | DOWN S/W | 減少各種設置值時使用 |
11 | ALARM LED | 進入警報狀態,繼電器運作時亮燈 |
























批發市場僅提供代購諮詢服務,商品內容為廠商自行維護,若有發現不實、不合適或不正確內容,再請告知我們,查實即會請廠商修改或立即下架,謝謝。


