
溫州廠傢AD56-16DS短型信號燈 藍色按鈕指示燈交直流通用 正品

AD56系列指示燈采用高亮度純色LED發光芯片為光源,壽命長,耗能低,體積小,重量輕,頭部風格多樣,亮度高,可靠性好,造型美觀和製造精巧,適用於電力、電訊、機床、船舶、紡織、印刷、礦山機械等設備的線路中作指示信號、預告信號、事故信號及其他指示用信號。產品概述:
產品本身特點:
1,多種頭部風格,紅綠黃三種顏色,明確指示不同工作狀態;
2,發光體采用純色超高亮LED芯片,色彩純正,壽命可達10萬小時;
3,零部件采用進口材料,堅固耐用,耐磨損;
4,內置螺釘式接線,更安全、方便。
產品適用環境:
1、環境溫度:-25℃~+55℃;
2、空氣相對溫度≤98%
3、在振動頻率為2-80Hz加速度為0.7g下能正常工作;
4、污染等級為3級,安裝類別為Ⅲ類;
5、有“TH”標志的能在濕熱帶環境下工作。
主要技術指標:
1、工頻耐壓:2.5KV(交流有效值),1min
2、絕緣電阻≥2MΩ
3、交流指示燈允許電壓波動±20%
4、連續工作壽命≥30000H
5、光亮度≥100cd/m2
6、相比漏電起痕指數CTI≥100
7、頭部防護等級IP65,可定製IP67
8、使用頻率AC50~60Hz

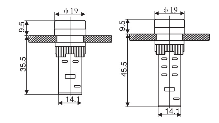
尺寸:

















配電箱廠傢 配電箱批發 配電箱尺寸 配電箱接線圖 配電箱價格 配電箱安裝 配電箱圖片 配電箱符號 配電箱規范 防水配電箱 防水盒 塑料接線盒 電纜接線盒 室外開關盒 控製盒 加熱器溫控器 防水插座 防水開關
新手教學
批發市場僅提供代購諮詢服務,商品內容為廠商自行維護,若有發現不實、不合適或不正確內容,再請告知我們,查實即會請廠商修改或立即下架,謝謝。


