專註於起重機行業20年,擁有完美的售後服務,
兩年保修,終身上門維護
交貨周期短,免費送貨,上門安裝
可根據客戶要求進行定製。以上價格僅供參考,如有需要,
請在購買之前與我們進行電話聯系
15951218797(謝經理)
下訂單之前請確定您需要的起重機的以下主要參數:起重量、跨度、起升高度、工作製度、軌道型號等

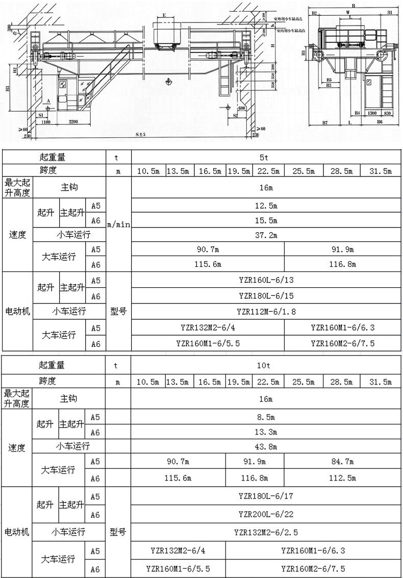
吊鉤橋式起重機:是一種設跨度與廠房上空沿軌道方向運動,小車做橫向運動,吊鉤作升降運動的起重吊運設備,適用於工礦企業的倉庫、車間、料場裝卸吊運工作,不適用於高溫(>+40℃)和低溫(<-20℃),溶態赤熱金屬及其具有強烈腐蝕性化學氣體的工作場所。聯系電話:15951218797(謝經理)
起重機工作級別:A5起重機(用於工作不太頻繁,如一般機械加工和裝配車間)。
A6起重機( 用於工作較為頻繁,如冶金和鑄造車間的輔助吊運)
起重機額定起重量:5t、10t、16/3.2t、20/5t、32/5t、50/10t、75/20t、80/20t、100/20t、125/30t、125/32t、250/50t、300/40t、350/75t、400/80t、450/80t等多種規格,(起重量用分數形式表示,分子 為主鉤起重量,分母為副鉤起重量)
起重機跨度:10.5m、13.5m、16.5m、19.5m、22.5m、25.5m、28.5m、31.5m、13m、16m、19m、22m、25m、28m、31m等多種規格。
主要特點:
(1)橋架采用箱形主梁,自動埋弧焊焊接。
(2)小車導電采用工字鋼軌道電纜導電新裝置,安全可靠。
(3)起升機構根據要求還可設第二套安全裝置。增加可靠性。
(4)零部件標準化、系列化、通用化。
(5)操縱室視野開闊,全部機構均在操縱室內操縱,工作舒適操縱靈活。
操縱室內裝有各機構的控製設備及保護配電盤、緊急開關、電鈴按鈕等,現將主要的電氣設備分述於下:
1. 凸輪控製器:凸輪控製器是用來控製各機構的電動機啟動、停止和正反轉。它佈設在操縱室內前方窗門周圍。
2. 保護配電盤:保護配電盤是用來對起重機上交流電動機的過電流保護、零位保護和起重機機構的限位開關保護之用的。在操縱室內的後方裝設著這種成型的保護配電盤。保護配電盤內裝有過電流繼電器、線路主接觸器、刀型開關和熔斷器等。
3.主令控製器:電動機的容量很大時,凸輪控製器體積龐大,操作不便。因此,凸輪控製器一般隻在電動機的容量不超過45千瓦時才直接使用。16噸重級、20噸重級以及32噸和50噸起重機的操縱采用另一種控製器即主令控製器,它是通過磁力控製屏來實現遙控操作的。磁力控製屏則安裝在橋架的走臺上。
4.限位和安全開關:起重機運行、小車運行和起升機構均裝有限位開關,以限製各機構的運動行程,當限位開關動作後,電路被切斷,機構停止運轉。再次接通電源時,機構隻能向相反方向運轉,從而保障瞭安全。
安全檢查規范:
雙梁橋式起重機的安全檢查為瞭保證橋式起重機的安全運行,在起重機運行期間需進行一些安全常規檢查,檢查項目及要點如下:

以上為參考型號,如需瞭解其他按型號請電話聯系:15951218797(謝經理)


批發市場僅提供代購諮詢服務,商品內容為廠商自行維護,若有發現不實、不合適或不正確內容,再請告知我們,查實即會請廠商修改或立即下架,謝謝。


