










特點:
♦ 可板載編程,獨立運行
♦ 也可通過USB/Ethernet構成分佈式架構,導軌安裝,配線方便,實現超多軸數控製
♦ 方便加密與設定時間鎖
♦ 自設定設備標識ID,設備識別與硬件介面順序無關
♦ 脈沖輸出率最高達5MHz
♦ 在4xAB模式下編碼器輸入頻率最高達10MHz
♦ 脈沖輸出選擇:OUT/DIR,CW/CCW
♦ 可編程加速和減速時間
♦ 可設定啟動速度與停止速度
♦ 梯形和S型速度曲線
♦ 在線改變速度與位置
♦ 多種保護方式,硬限位、軟限位、最大速度,最大加速度保護
♦ 6種回零模式,無需自編代碼
技術規格:
脈沖型運動控製器 | |
軸數 | 4(可定製) |
最大脈沖輸出速率 | 5M |
脈沖輸出類型 | Pulse/direction (1-pulse, 1-direction type) or CW/CCW (2-pulse type) |
速度分辨率 | 28bit |
計數器分辨率 | 28bit |
定位范圍 | -134,217,728 ~ +134,217,727 |
速度曲線 | T-Curve、S-Curve |
歸零模式種類 | 6 |
編碼器介面 | |
輸入類型 | Quadrature (A/B phase) or up/down |
增量編碼器信號 | EA、EB、EZ |
手脈輸入類型 | PA、PB |
輸入方式 | TTL or差分 |
隔離保護 | 2,500 VDC |
最大輸入頻率 | 10M |
I/O信號 | |
機械介面 | PEL x 4, MEL x 4, ORG x 4 |
伺服驅動介面 | ALM x 4, INP x 4,SVON x4 |
隔離通用IO | 16IDI/16IDO(可定製) |
常規規格 | |
總線類型 | USB、Ethernet、RS-485 |
尺寸(WxD) | 225 x 125 mm |
系統供電 | 24VDC |
濕度 | 5 ~ 95% RH, non-condensing (IEC 68-2-3) |
工作溫度 | 0 ~ 60° C (32 ~ 140° F) |
存儲溫度 | -20 ~ 85° C (-4 ~ 185° F) |
軟件支持 | |
操作系統 | Windows® XP/7/8 Linux WinCE |
軟件兼容性 | VB/VC++/BCB/Delphi/Labview |
演示軟件 | General Motion Tool |
軸介面定義:CN5~CN8
介面類型:DB25母座
引腳 | 信號 | 說明 | 引腳 | 信號 | 說明 |
1 | GND | 電源地 | 14 | +24V | 電源輸出 |
2 | ALMAM_IN | 輸入 | 15 | CLR | 驅動復位輸出 |
3 | EN | 輸出 | 16 |
| NO |
4 | A+(1) | Encoder輸入 | 17 | A- | Encoder輸入 |
5 | B+ | Encoder輸入 | 18 | B- | Encoder輸入 |
6 | C+ | Encoder輸入 | 19 | C- | Encoder輸入 |
7 | +5V | 電源輸出 | 20 | GND | 電源地 |
8 | DA+(2) | 模擬量輸出 | 21 | DA- | 模擬量輸出 |
9 | DIR+ | 方向輸出+ | 22 | DIR- | 方向輸出- |
10 | GND | 地 | 23 | PULSE+ | 脈沖輸出+ |
11 | PULSE- | 脈沖輸出- | 24 | +5V | 電源 |
12 | AD+(2) | 模擬量輸入 | 25 | AD- | 模擬量輸入 |
13 | AGND | 模擬地 |
|
|
|
軸接線原理圖:

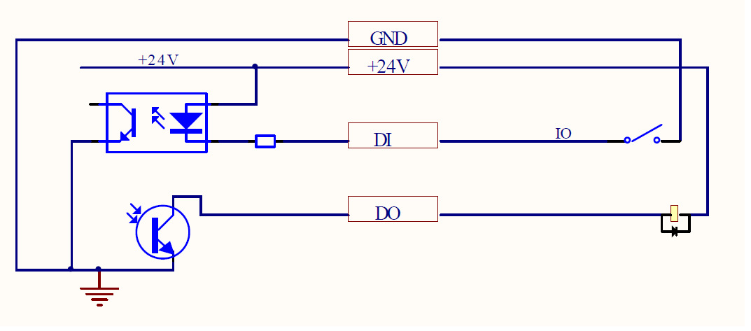
板載隔離IO接線原理圖:

工具軟件Utility:







深圳市迪士博智能科技有限公司是一傢致力於提供設備自動化領域高端平價、打造綜合性價比最優的一站式解決方案的高科技公司。可提供硬件、軟件、服務的最佳整合,包括機器視覺,運動控製與工業控製器的完整產品序列以及相關的整合方案與服務。TSP出品的全系列產品均是來自全球各地經多年檢驗的可靠高端產品,但TSP全部以平價方式回饋給我們的客戶,始終堅持高端平價的理念,以專業熱情高效的服務精神協助我們的客戶打造自己的個性化方案。迪士博智能存在的最大價值就是努力成為客戶最值得信賴的夥伴!






深圳市迪士博智能科技有限公司
聯 系 人:王海東
手 機:136-0304-6789
電 話:0755-33134139
傳 真:0755-33134139
地 址:中國 廣東 深圳市寶安區 41區甲岸路德誠大廈509

批發市場僅提供代購諮詢服務,商品內容為廠商自行維護,若有發現不實、不合適或不正確內容,再請告知我們,查實即會請廠商修改或立即下架,謝謝。


