































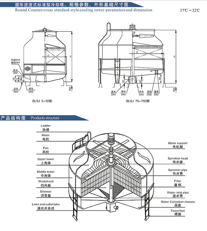
逆流冷卻塔:
1、水在塔內填料中,水自上而下,空氣自下而上,兩者流向相反一種冷卻塔。逆流式冷卻塔
2、逆流冷卻塔熱力性能好、分三個冷卻段:
①佈水器到填料頂這一空間,此段的水溫較高,所以仍可將熱量傳給空氣。
②填料水與空氣熱交換段。
③填料至集水池空間淋水段,水在此段被冷卻稱之為“尾效”。在我國北方水溫可下降1-2℃。
綜上所述,逆流塔比橫流塔在相同的情況下,填料體積小20%左右,逆流塔熱交換過程更合理冷效高。
3、配水系統不易堵塞、淋水填料保持清潔不易老化、濕氣回流小、防凍化冰措施更容易。多臺可組合設計,冬季以所需的水溫水量可合並單臺運行或全部停開風機。
4、施工安裝檢修容易、費用低,常用在空調和工業大、中型冷卻循環水中。

順華冷卻塔,技術力量雄厚,擁有獨立研製的專業技術隊伍,同事和德國冷卻塔工程顧問進行技術合作,聯合研製開發新產品;技術工程師可以根據用戶需要及安裝地的特殊情況進行非標設計,滿足客戶對水溫,溫降,噪音等指標的需要。"順華"牌冷卻塔廣泛應用於冷凍,空調,電力,輕紡,化工,註塑等行業,產品暢銷全國各地,遠銷馬來西亞,新加坡,香港等國傢和地區。
順華冷卻塔本著精益求精,客戶至上的經營方針,加強管理,不斷提高產品質量,以優質優價占領市場,滿足客戶需求。
順華冷卻塔本著精益求精,客戶至上的經營方針,加強管理,不斷提高產品質量,以優質優價占領市場,滿足客戶需求。



聯 系 人:梁敬全 先生
移動電話:13380837293
聯 系 人:劉勁幫 先生
移動電話:13924828228/13392217977
電 話:0757-27789531/27789532/28669803
傳 真:0757-28816903
地 址:中國廣東佛山市順德區杏壇工業區
郵 編:528300
公司主頁:http://www.shunhualqt.com
https://sh28669803.1688.com
移動電話:13380837293
聯 系 人:劉勁幫 先生
移動電話:13924828228/13392217977
電 話:0757-27789531/27789532/28669803
傳 真:0757-28816903
地 址:中國廣東佛山市順德區杏壇工業區
郵 編:528300
公司主頁:http://www.shunhualqt.com
https://sh28669803.1688.com

新手教學
批發市場僅提供代購諮詢服務,商品內容為廠商自行維護,若有發現不實、不合適或不正確內容,再請告知我們,查實即會請廠商修改或立即下架,謝謝。


