※產品售價均含17%稅,一律開增值稅發票
產品詳情
■技術參數  
 
本產品適用於工業、機械、工具機、電氣櫃、控製箱使用。
主體尺寸: 77×60×60mm
固定方式: 軌道式 35mm DIN Rail (PF-A1),或直接鎖螺絲固定
額定電壓: AC100V~250V通用
頻率: 50/60HZ通用
阻性負載: AC 250V 5A
最小動作時間: 1分
額定電壓: AC100V~250V通用
頻率: 50/60HZ通用
阻性負載: AC 250V 5A
最小動作時間: 1分
開關動作: 六組時間設定,每一組可設定於一星期中某一天或周一至周五,
              周末或每一天的幾時幾分打開,至星期幾的幾時幾分關閉(OFF)。
停電記憶: 二周
停電記憶: 二周
使用需知:
1. TBH系列產品,啟動電流請勿超過額定電流,若超過請搭配電磁開關(電磁接觸器)再行使用。
2. 具有停電記憶功能之定時器,請於第一次使用前,先將電池充電10分鐘。
1. TBH系列產品,啟動電流請勿超過額定電流,若超過請搭配電磁開關(電磁接觸器)再行使用。
2. 具有停電記憶功能之定時器,請於第一次使用前,先將電池充電10分鐘。
■特征描述 
  
GIKOKA –TBH多段定時器/定時開關系列依型式、固定方式、電壓區分:
TBH35N軌道式全電壓AC100~240V,停電記憶100小時, 接點15A。
TBH35鐵殼型: TBH3511(AC110V)、TBH3522(AC220V),接點20A。
TBH37軌道式接點獨立: TBH3711 (AC110V)、TBH3722 (AC220V),接點15A。
TBH45 迷你型軌道式全電壓AC110~250V,停電記憶100小時,接點16A。
TBH370軌道式全電壓AC100~250V,停電記憶150小時,接點16A。
TBH66W軌道式一周型,全電壓AC100~250V,停電記憶150小時,接點16A。
TBH35N軌道式全電壓AC100~240V,停電記憶100小時, 接點15A。
TBH35鐵殼型: TBH3511(AC110V)、TBH3522(AC220V),接點20A。
TBH37軌道式接點獨立: TBH3711 (AC110V)、TBH3722 (AC220V),接點15A。
TBH45 迷你型軌道式全電壓AC110~250V,停電記憶100小時,接點16A。
TBH370軌道式全電壓AC100~250V,停電記憶150小時,接點16A。
TBH66W軌道式一周型,全電壓AC100~250V,停電記憶150小時,接點16A。
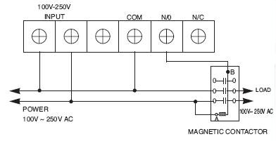
■圖紙 

 
 

配線圖
◆ 受控電路與輸入電壓為相同電源時(輕載)

◆ 受控電路與輸入電壓為不同電源時 (重載)


■產品圖片
■品牌介紹
新手教學
批發市場僅提供代購諮詢服務,商品內容為廠商自行維護,若有發現不實、不合適或不正確內容,再請告知我們,查實即會請廠商修改或立即下架,謝謝。


