LD系列驅動
| 集團概括(關於河南大方集團) |
大方集團始建於2006年,是一傢以起重機械、鋼結構研發、製造、安裝為主,現代農業為輔的企業集團。註冊資金2.3億元,總占地麵積85萬平方米,員工2000餘人。2009年以來平均每年以90%以上的速度增長,2012年實現訂單10.61億元,銷售額10.44億元,產值10.47億元,是中國起重行業發展速度最快,規模最大的企業之一。下設“河南省大方重型機器有限公司”、“河南大方重型鋼結構工程有限公司”、“河南綠港現代農業股份有限公司”等五傢子公司。
|
| LD系列驅動介紹 | |||||||||||||||||||||||||||||||||||||||
可配套使用ZDY1(D)21-4-0.8KW、ZDY1(D)22-4-1. 5KW錐形轉子製動電機,或ZDR(D)系列1.5KW、2.1KW、3.0KW錐形繞線轉子製動電機等。該裝置是集起動轉矩大,可選速度范圍廣,可頻繁起動,運行速度平穩,使用安全可靠,安裝維修方便,美觀大方等優點與一身的大車驅動裝置。 註:若行車地麵操作,與實心轉子製動(軟起動)電配套使用最佳
| |||||||||||||||||||||||||||||||||||||||
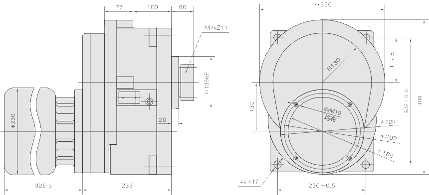
LDABM型驅動裝置,是以LDAB型為基礎研發的較大噸位及跨度的新型大車驅動裝置,適用於低運行速度或有
精密對接要求的5-16噸電動單梁、葫蘆雙梁、小型門式、半門式起重機及路橋設備等。可配套使用ZDY(D)系列
0.8KW、1.5KW錐形轉子製動電機或ZDR系列1.5KW、2.1KW、3.0KW錐形繞線轉子製動電機和實心轉子製動(軟起動)
電機等。該裝置除具有起動轉矩大,承載能力強,可選速度范圍廣,可頻繁起動的特點外,還有體積小、結構簡
單,運行速度平穩,噪音低,使用安全可靠,裝配快捷、簡單、故障少,壽命長,維休方便。
| 可供選用驅動速度表 | ||||||
| 速度 | 3.3米/分 | 5米/分 | 7.5米/分 | 10米/分 | 12米/分 | 15.5米/分 |
| 總速比 | 446.04 | 289.19 | 202.05 | 146.60 | 116.07 |
92.86 |

LDAB型驅動裝置,是以LDA型為基礎研發的較大噸位及跨度的新型大車驅動裝置,適用於5-16噸電動單
梁、葫蘆雙梁、小型門式、半門式起重機及路橋設備等。可配套使用ZDY(D)系列0.8KW、1.5KW錐形轉子製動
電機或ZDR系列1.5KW、2.1KW、3.0KW錐形繞線轉子電機和實心轉子製動(軟起動)電機等。該裝置除具有起
動轉矩大,承載能力強,可頻繁起動的特點外,還有結構簡單、體積小,運行速度平穩,噪音低,使用安全
可靠,裝配快捷、簡單、故障少,壽命長,維修方便,美觀大方等優點。
| 可供選用驅動速度表 | |||||
| 速度 | 20米/分 | 30米/分 | 45米/分 | 60米/分 | 75米/分 |
| 總速比 | 73.076 | 47.378 | 33.103 | 24.018 | 19.598 |

LDAM型驅動裝置屬我公司專利產品,適用於低速運行速度或有精密對接要求的1-5噸電動單梁起重機。可配
套使用ZDY1(D)21-4-0.8 KW、ZDY1(D)22-4-1.5KW錐形轉子製動電機,或ZDR(D)100-4-1.5KW錐形繞線轉子製動電
機、實心轉子製動(軟起動)電機等。該裝置集起動轉矩大,可選速度范圍廣,可頻繁起動,運行速度平穩,使
用安全可靠,安裝維修方便,美觀大方等優點於一身的大車驅動裝置。
| 可供選用驅動速度表 | ||||||
| 速度 | 3.3米/分 | 5米/分 | 7.5米/分 | 10米/分 | 12米/分 | 15.5米/分 |
| 總速比 | 359.86 | 240.65 | 161.84 | 118.69 | 96.59 | 75.19 |

LDA型驅動裝置是為1-5噸電動單梁起重機配套的一種新型大車驅動裝置,是LD1型的改進型。可配套電機
有ZDY1(D)21-4-0.8KW、ZDY1(D)22-4-1.5KW錐型轉子製動電機,或ZDR(D)100-4-1.5KW錐型繞線轉子製動電機
等。該裝置具有結構簡單、體積小,起動轉矩大,可頻繁起動,運行速度平穩,噪音低,使用安全可靠,安
裝維修方便,美觀大方等優點。註:若行車地麵操作,與實心轉子製動(軟起動)電機配套使用最佳。
| 可供選用驅動速度表 | |||||
| 速度 | 20米/分 | 30米/分 | 45米/分 | 60米/分 | 75米/分 |
| 總速比 | 58.96 | 39.43 | 26.52 | 19.44 |
15.91 |

| 選擇我們的理由 |
1. 一對一的服務,保證客戶最優的采購程序. |
| 任何疑問,請隨時聯系我們 |
我們是專業的起重機設計、製造、出口和維修廠傢. 在這方麵有多年的經驗, 我們確保可以給客戶提供最合適的起重機方案. 如果您有任何事宜需要咨詢和確認,請隨時通過阿裡旺旺和在線方式聯系我們! 電 話:0373-5818366 手機號:13333806655 Q Q:2637263820 Q Q: 2625069631 |
批發市場僅提供代購諮詢服務,商品內容為廠商自行維護,若有發現不實、不合適或不正確內容,再請告知我們,查實即會請廠商修改或立即下架,謝謝。








