批發一路發提供客戶日本、大陸、香港、歐美上泰機表餘氯在線檢測機CT6110 餘氯測定機批發、進口、代購的物流整合服務,針對機械、電子、半導體的零組件或機台設備等特殊性需客製化產品,我們也有各家工廠配合的専業工程師可回覆您的專業性問題。
諮詢直撥專線:香港
8175-8056
大陸
0592-5638-176
台灣代購需求可諮詢
台灣批發市場
Email:
[email protected]
Products
貨源
求購
情報
公司
資訊
展覽
商品代碼:4129542
立即詢價
香港
8175-8056
大陸
0592- 5638-176
首頁
批發 商品目錄
批發說明
常見問題
問題商品申訴處理辦法
聯絡方式
關於批發一路發
會員約定書
日本樂天代購
商品分類
服裝
情侶裝、親子裝、孕婦裝
制服工作服、校服、表演服
服裝代理加盟
服裝展示道具
其它
馬甲
日系秋裝
韓版秋裝
ingni
服飾、鞋帽
鞋輔件
鞋底
圍巾帽子手套套件
襪子
腰鏈、腰飾
帽子
腰帶
腰帶配件
圍巾
領帶領結領帶夾
手套
外貿服飾
成品鞋、鞋件代理加盟
服飾代理加盟
禮品、飾品
家居日用禮品
電子數位禮品
首飾、飾品
飾品代理加盟
商務饋贈禮品
工藝品代理加盟
辦公文教禮品
飾品配件
小家電禮品
首飾箱包
飾品展示架
飾品保養鑒定
祭祀、殯葬用品
工藝禮品包裝
廣告促銷禮品
工藝原料
聖誕禮品
機械設備
傳質設備
餐飲行業設備
地礦勘測設備
刀具、夾具
二手機械設備
儲運設備
泵
電焊、切割設備
包裝成型機械
玻璃設備
電腦產品製造設備
紡織設備和器材
傳動機構
服裝機械設備
風機、排風設備
電子產品製造設備
車間設備
粉碎設備
分離設備
工業鍋爐及配件
化工設備配件
反應設備
乾燥設備
化工設備代理加盟
工業加濕器
化工管道及配件
工藝禮品加工設備
工業製品代理加盟
工業皮帶
化工成型設備
過濾設備
化工成套設備
焊接材料與附件
過濾材料
機械加工
機床附件
工程機械、建築機械
換熱、製冷空調設備
緊固件、連接件
混合設備
家電製造設備
化工實驗設備
減速機
內燃機
金屬成型設備
礦業裝卸設備
金融專用設備
礦業輸送設備
皮革加工設備
礦山施工設備
酒店設備
清洗、清理設備
其他行業專用設備
建材生產加工機械
氣動元件
結晶設備
模具
木工機械
塑料機械
密封件
石油設備
食品、飲料加工設備
農業機械
商業專用設備
選礦設備
液壓機械及組配件
商超設備
橡膠機械
紙加工機械
印刷設備
輸送設備
制鞋機械
設備轉讓
造紙設備及配件
塗裝設備
整熨洗滌設備
液壓機械及部件
陶瓷生產加工機械
軸承
液壓元件
陶瓷建材加工設備
制動器
玩具加工設備
壓縮設備
鑄造及熱處理設備
冶煉設備
製冷設備
整熨設備洗滌設備
家居用品
防暑
USB新奇特
收納、洗曬用具
家務清潔用具
衛浴洗漱用具
日化用品
美甲用品
防蚊蟲、防蛀用品
傢俱
床上用品
一次性用品
毛巾、浴巾、手帕
防曬
餐飲用品
鐘錶
針線、別針、縫紉
廚房用品
秤
照明電筒
鞋用品
家用剪刀
傘、雨衣
熨燙板
打火機及煙具
家用梯
家居用品代理加盟
其他日用雜貨
溫度計、水溫計
防蚊蟲、防蛀用品
保暖用品
五金工具
通用五金配件
服飾箱包五金
辦公文教五金
船用五金配件
工具包
電動工具
工藝禮品五金
鎖具
刀
鋸
磨具
打氣筒
匠作工具
傢俱五金
金剛石工具
絲錐、板牙
氣動工具
防爆工具
磨料
農用工具
噴塗工具
五金工具加工
氣焊、氣割器材
其他鉗工工具
其他五金工具
五金工具代理加盟
熱風槍
園林工具
日用五金
液壓工具
手動黃油槍
鑿
氣動黃油槍
化工
化工中間體
實驗室器皿
玻璃
過氧化物
玻璃纖維
化工廢料
工業氣體
玻璃製品
化工原料代理加盟
海綿(泡棉)
磺酸
單質
腈
磺酸衍生物
醌類
砜
火工產品
酚類
煤焦化產品
醚
偶氮化合物
醛
其他聚合物
無機酸
無機非金屬材料
羧酸
氧化物
雜環化合物
碳水化合物
重氮化合物
酮
天然樹脂
精細化學品
表面活性劑
金屬加工助劑
合成膠粘劑
塗料、油漆
車用潤滑油
塗料乳液及...
合成材料助劑
電子工業用助劑
工業用清洗劑
紡織染整助劑
建築用精細化學品
信息用化學品
精細化學品...
水處理化學品
有機顏料
精細化學品加工
石油產品添加劑
油墨
石油蠟
飼料添加劑
植物生長調節劑
農藥原藥
生物化工
造紙助劑
農藥製劑
天然膠粘劑
皮革化學品
塗料助劑
其他助劑
無機膠粘劑
選礦藥劑及...
工業潤滑油
無機顏料/填料
橡塑
工業用橡膠製品
電子用塑膠製品
生活日用橡膠製品
工農業用塑料製品
電子電工零件
塑料板(卷)
硅橡膠布
電子塑膠配件
合成橡膠
電子塑膠模具
有機玻璃製品
機械五金塑料件
電器塑膠外殼
機械塑膠零配件
電子塑膠外殼
改性塑料
母料
電器塑膠零配件
車用塑料件
農業用橡膠製品
電子塑膠零配件
充電器塑膠外殼
農漁塑料製品
電工塑膠零配件
其他塑料製品
o型圈
廢塑料
其他橡膠製品
泡沫塑料
塑料絲
汽車塑膠零配件
塑料網
塑料手柄
汽摩塑膠零配件
塑膠容器
熱塑性彈性體
塑膠零件、配件
特種塑料
塑料片
塑料零件
天然橡膠
塑料棒
塑料玩具
U盤塑膠外殼
塑料異型材
鼠標塑膠外殼
文教用橡膠製品
塑料焊條
塑料篷布
五金塑膠零配件
手機塑膠外殼
塑膠燈殼(燈座)
橡膠密封製品
橡膠板
橡膠帶
橡膠圈
橡膠棒
橡膠管
橡膠墊
橡膠履帶
橡膠片
橡膠套
橡膠塞
橡塑代理加盟
橡膠閥
橡膠條
橡膠氣囊
橡膠桶
橡膠減震器
橡膠密封件
橡膠止水帶
工程塑料
生活日用橡膠製品
塑料合金
汽車用塑膠製品
塑料絲、塑料繩
其他橡膠密封製品
其他橡塑
商務服務
進出口代理
公司註冊服務
企業日常服務
保險服務
翻譯服務
其他商務服務
法律服務
認證服務
公關服務
展覽會信息
軟體開發
會計服務
展覽服務
金融服務
攝影服務
檢測服務
通訊服務
教育培訓
網店裝修
配額
中介服務
求職簡歷
知識產權服務
維修及安裝服務
商旅服務
印刷
印刷機械專用配件
防偽技術產品
印刷配套設備
印刷耗材代理加盟
書刊印刷加工
印前處理設備
印後加工設備
紙業
紙及紙品代理加盟
紙品加工
其他用途紙
工業用紙
辦公用紙
醫藥、保養
醫用塑膠製品
消毒防腐藥劑
醫療器具
醫用材料
藥用包裝材料
製藥設備
礦物原藥材
醫療器械製造設備
動物原藥材
酶制劑、酵素制劑
生物製品
藥品加工
獸用器械
醫療器械加工
西藥
中成藥
中藥飲片
製藥輔料
汽摩及配件
汽摩配件加工
汽車用品
汽摩及配件...
家用電器
娛樂視聽設備
家用電器產...
廚房家電
音響產品
安全、防護
安防監控設備
防盜報警設備
門禁考勤樓宇對講
軍需用品及...
防雷電設備
防偽識別
信息安全產品
庫存、二手...
其他安全防護設備
加工合作
能源
太陽能設備
生物能源
煤礦設備
煤製品
能源產品加工
溶劑油
能源產品代理加盟
沼氣設備
燃氣設備
交通運輸
二手交通工具
運輸搬運設備
非機動車配件
軌道交通設備器材
通用輸送設備
物流輔助器材
起重裝卸設備
交通工具代理加盟
集裝整理設備
船舶專用配件
照明
氣體放電燈
電光源材料
照明器材代理加盟
專門用途燈具
燈具配附件
儀器、儀表
橡塑專用儀器儀表
包裝測試設備
環境檢測儀器
計量標準器具
電工儀器儀表
電子測量儀器
計數器
電動單元組合儀表
光學儀器
基地式儀表
集中控制裝置
分析儀器
溫濕度儀表
控制(調節)儀表
工業計時器
庫存儀器儀表
衡器
流量儀表
氣象儀器
壓力儀表
量儀
氣體分析儀
儀器儀表配附件
氣動單元組合儀表
儀用電源
其他儀器儀表
儀器箱
試驗箱及氣侯環境設備
儀器儀表代理加盟
實驗儀器裝置
執行器
室內環保檢測儀器
自動化成套控制
色譜儀
物位儀表
顯示儀表
機械量儀表
試驗機
無損檢測儀器
儀器儀表加工
工程測繪儀器
自動化儀器設備
汽摩檢測設備
紀錄儀
電子元器件
電子材料、零部件、結構
庫存電子元...
LED系列產品
變頻器
保護器件
場效應管
連接器
集成電路(IC)
電容器
PCB電路板
電位器
電子代理加盟
電聲器件
壓電晶體、...
整流器件
繼電器
可控硅(晶閘管)
開關元件
LCD系列產品
三極管
顯示器件
揚聲器(喇叭)
電工電氣
太陽能光伏系列產品
充電器
開關
電工電器成套設備
電工電氣產...
電動機
低壓電器
發電機、發電機組
電熱設備
高壓電器
工控系統及裝備
配電輸電設備
半導體設備
電腦、數位科技
筆記本電腦及配件
電腦相關用品
耗材
網絡設備
辦公設備
整機、服務器
無線網絡設備
軟體
建築建材
裝飾性燈具
常規照明
室內門
功能材料
吊頂材料
瓷磚
頂篷材料
地板
變形縫裝置
不動產
功能塗料
窗
鋼結構、膜結構
廚房設施
隔斷
采暖設備
木質材料
高級淋浴房
鋼化玻璃淋浴房
管道系統
工地施工材料
光源
淋浴房
工程承包
衛浴潔具
木工油漆
建築玻璃
信報箱
幕牆及材料配件
建築裝修施工
普通淋浴房
浴室傢俱
建築用粘合劑
裝飾線板
牆地面塗料
金屬建材
室外門
建築、建材類管材
石材石料
建材加工
梯類
建材代理加盟
特種建材
裝飾建材代理加盟
紡織、皮革
化纖面料、裡料
紡織品加工
非織造及工業用布
棉類系列面料
色織、扎染...
皮革廢料
人造革
紡織、皮革...
皮革加工
人造毛皮
功能性面料
絲綢系列面料
混紡、交織類面料
合成革
天然紡織原料
毛紡系列面料
複合面料
繡花布
麻類系列面料
紡織廢料
坯布
現貨小批
色織、提花布
化纖面料
窗簾面料
無紡布
印花、扎染布
其他紡織、皮革
包裝
塑料包裝容器
紙類包裝容器
環保包裝
包裝製品配附件
塑料包裝材料
陶瓷包裝容器
玻璃包裝容器
燙金、燙印材料
金屬包裝容器
複合包裝材料
輔助包裝材料
複合包裝製品
包裝產品代理加盟
金屬包裝材料
布類包裝材料
木質包裝容器
玻璃包裝材料
繩索、紮帶
紙類印刷製品
物流包裝
辦公、文教
膠片、膠卷
庫存辦公、...
復讀機、學習機
眼鏡及配件
文化辦公設備
教學模型、器材
美術用品
計算器
掛歷類
辦公文教用...
檯曆類
繪圖文具
文具配件
會計用品
裁剪用品
相紙
膠粘用品
音像製品
期刊、報紙
音像製品代理加盟
書寫板、擦
音像製品加工
實驗室專用設備
易拉得、易拉扣
書籍
光學加工機械
證卡、獎品
圖片、畫冊
圖書代理加盟
食品、飲料
粗加工水產品
食品飲料代理加盟
方便食品
果肉、粉、原漿
蔬菜製品
罐頭食品
其他食品飲料
保健食品
肉製品
沖飲品
乳製品
澱粉
冷飲
食用油
豆製品
米面類
蛋製品
蜜製品
麵包
糖類
奶粉
食品飲料加工
食品儲運設備
香腸
營養食品
農業
生鮮水果
鮮活水產品
新鮮蔬菜
飼料
花卉種子、種苗
腸衣
堅果、乾果
蠶繭、蠶絲
咖啡豆、可可豆
特種養殖動物
動物毛鬃
麻類
綠化苗木
動物提取物
棉花
園藝用具
種子、種苗
工業用動植物油
木炭
牲畜
含油子仁、...
農業用具
花卉
農副產品加工
禽蛋
農產品代理加盟
辛辣蔬菜
羽毛、羽絨
漁業用具
竹木、籐葦、乾草
竹木加工
冶金礦產
黑色金屬礦產
低合金板
金屬絲、繩
建築鋼材
基本金屬
廢金屬
金屬粉末
非金屬礦物製品
金屬加工材
金屬材料代理加盟
硅鋼片
不銹鋼材
礦物代理加盟
鋼坯
爐料
貴金屬
冷軋板(卷)
熱軋薄板(卷)
鐵合金
中厚板
型材
小金屬
稀土金屬
優特鋼
有色金屬合金
有色金屬
冶煉加工
鍋爐板
熱軋板卷
花紋板(卷)
有色金屬礦產
其他冶金礦產
運動、休閒
按摩、保健器具
體育運動產品加工
娛樂休閒產品加工
健身器材用品
冰鞋、輪滑、滑板
樂器
棋牌、室內休閒
水族器材
酒店客房用品
馬術用品
酒店大堂用品
場地鋪設器材
田徑用品
餐飲設備
滑雪用品
水上運動用品
行李車
體育運動用品
極限運動用品
瑜伽用品
娛樂休閒產...
舞蹈、戲劇道具
射擊、射箭用品
寵物用品
擊劍、武術用品
其他未分類
體操用品
寵物
裁判、計時用品
舉重用品
體質測試儀器
高爾夫用品
平衡車
獨輪車
玩具
玩具設計加工
動漫、影視...
運動休閒類玩具
遊戲機及配件
玩具配件
模型玩具
其他類玩具
塑膠玩具
木製玩具
面具
電子寵物
風車
陀螺
過家家玩具
整人玩具
魔術玩具
玩具代理加盟
沙漏
神偷奶爸
公仔、玩偶、娃娃
紙製玩具
竹木玩具
發光、整人、充氣玩具
運動、傳統玩具
環保
空氣處理化學品
其他環保設備
傳媒、廣電
公共廣播系統
光學攝影器材
光學攝影器材
專業音響、...
播出、前端設備
其他傳媒、...
無線微波設備
廣告、展覽器材
編輯製作設備
庫存積壓
庫存電子元器件、材料
庫存化工設備
庫存音像製品
庫存圖書
庫存農產品
庫存紡織品
庫存皮革及製品
庫存服飾
庫存服裝
庫存化工原料
庫存精細化學品
庫存醫藥用品
庫存金屬材料
庫存設備及工業用品
庫存電工電氣產品
庫存通訊產品
庫存通信器材
庫存家用電器
庫存家居用品
庫存體育運動產品
庫存娛樂休閒產品
庫存交通工具
庫存辦公、文教用品.
庫存產品代理加盟
加工
產品印刷加工
鞋材、鞋件加工
電子加工
橡膠加工
陶瓷加工
安全、防護用品加工
玻璃加工
包裝印刷加工
辦公文教用品加工
包裝產品加工
保健用品加工
成品鞋加工
電工電氣產品加工
定制加工
F紡織品加工
服裝加工
服飾加工
工藝品加工
化工產品加工
環保設備加工
家居用品加工
機械零部件加工
家用電器加工
交通運輸產品加工
項目合作
化工項目合作
精細化工項目合作
紙及紙品項目合作
保健項目合作
家電項目合作
能源項目合作
交通工具項目合作
照明器材項目合作
電子項目合作
電工電氣項目合作
建築項目合作
紡織皮革相...
辦公、文教...
出版項目合作
食品飲料項目合作
農林牧漁項目合作
礦業項目合作
冶金項目合作
影視節目合作
環保項目合作
安全防護產...
其他項目合作
不動產項目合作
體育運動項目合作
傳媒、廣電...
玩具項目合作
電腦項目合作
信息技術項目合作
地區、政府...
技術合作
娛樂休閒項目合作
服務項目合作
資金合作
招標、投標
服飾項目合作
服裝項目合作
家居用品項目合作
工藝禮品項目合作
旅遊項目合作
機械項目合作
包裝項目合作
二手設備
二手紙加工設備
二手醫療設備
二手家用電器
二手物流設備
二手照明器材
二手儀器儀表
二手電工電氣產品
二手建材加工設備
二手皮革加工設備
二手紡織加工設備
二手包裝機械
二手辦公設備
二手食品機械
二手礦業設備
二手冶煉設備
二手通訊產品
二手通信器材
二手環保設備
二手廣電設備
二手鍋爐
二手工程機械
二手體育休閒設施
二手通用零部件
二手制鞋設備
二手安防設備
其他二手設備
二手機床
二手服裝加工設備
二手塑料機械
二手木工機械
二手電子加工設備
二手橡膠加工設備
減肥塑身
減肥
蘋果Apple配件
iphone
Ipad
蘋果MAC
熱賣商品批發
Hello Kitty
黄色小鸭
熊貓系列商品
深情馬戲團
zakka雜貨
特定批發廠商
冰墊
冰袋,冰包,野餐包
冬季用品
太陽眼鏡
鍍金手鏈
鍍金項鏈
鍍金吊墜
Line熱門明星系列商品
vr 虛擬實境
日本代購
韓國代購
情人節禮物
蛋黃哥
Kanahei卡娜赫拉
韓劇明星同款商品
藍芽耳機麥克風
寶可夢
護膚保養品
防曬修護
脫毛膏
面膜,面膜粉
潔面
化妝水,爽膚水
乳液
面霜
面部精華
眼膜
眼霜
足膜,足霜,足部磨砂
T區護理
浴鹽
護手霜,手膜,手部磨砂
身體護理套裝
面部護理套裝
面部精油
香熏
男士面部護理套裝
眼部護理套裝
美胸精華,美胸乳霜
減肥膏,燃脂膏
男士潔面
男士乳液
面部按摩霜
足浴液,足浴劑
面膜紙,棒,碗
眼部精華
其他眼唇護理產品
其他身體護理用品
其他護膚品
美容微針滾輪
彩妝香氛
美容、化妝用具
彩妝
香膏
香水
照明工業
LED光源
LED燈具
日本批發
日本代購
日本化妝品
日本創意商品
日本原單
韓國批發
韓國原單
韓國代購
韓國化妝品正品
韓國東大門
全部目錄
皮帶
日本日系原單
韓國韓版原單
地攤貨
明星熱賣商品
整形美容
網頁設計
醫院手術器具
韓國批發
現在位置:
首頁
»
貨源
»
儀器、儀表
»
分析儀器
»
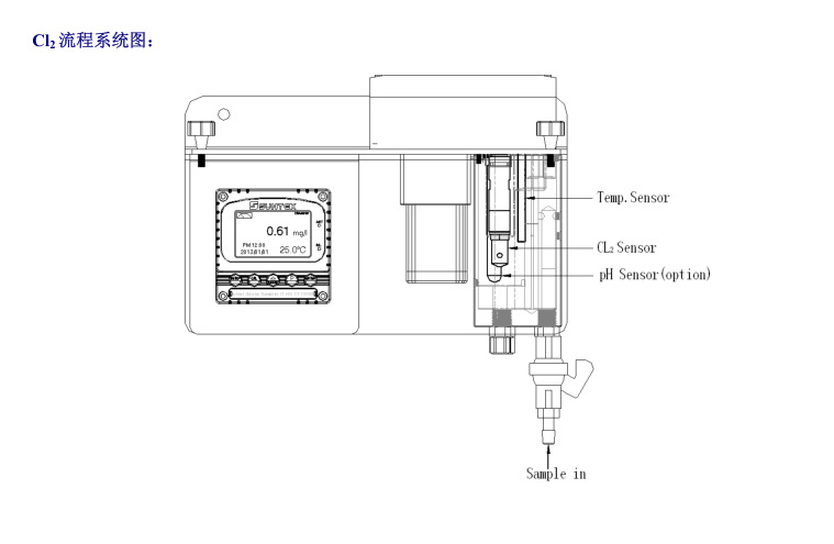
上泰機表餘氯在線檢測機CT6110 餘氯測定機
商品代碼:
4129542
(可點擊以下立即詢價直接線上諮詢,或來電提供此商品代碼諮詢)
立即詢價
加入最愛
即日起提供日本樂天代購服務-詳見
Rakuten-suki日本樂天代購
,謝謝。
商品詳細說明
新手教學
批發市場僅提供代購諮詢服務,商品內容為廠商自行維護,若有發現不實、不合適或不正確內容,再請告知我們,查實即會請廠商修改或立即下架,謝謝。
相關商品
線上客服