
產品特點
回轉--牙距的精密自動接送組合:
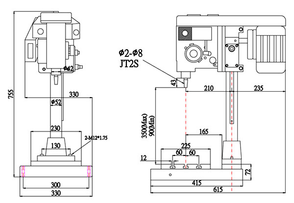
裝置可替換的A、B齒輪配合A、B轉軸與主軸依牙距推進完全配合
1.垂直穩定、精確而安定:
精密度相當高,螺絲攻在前進與後退時不必出力就能運轉自如,而產制優良的加工物品,不會造成粗細不同的螺紋。對薄板的沖床加工制品或輕合金屬,合成樹脂等軟質制品,也能制成完美的螺紋。絕無品質不穩定或不良現象產生。
2、攻牙機加工時加工物品不會往上跳:
由回轉的主軸帶動傳送,並不必以手壓著加工物,同時加工物也不會往上跳。
3、操作簡便,促進工作效率:
加工物品因為不往上跳,所以隻要不必壓住加工物的簡單裝置,即可發揮最高的工作效率。
操作者的兩手可以自由的離開機械:
正轉→反轉→正轉→反轉……的連續循環和正轉→逆轉→停止的單向循環有特定的按鍵開關來操作,另外還可以安裝腳踏的開關,作選擇性的操作,連續循環、單向循環都能自動,操作人員的雙手可安全離開機器。
可做長時間高速連續循環運轉,堅固耐用:
連續循環運轉每分鐘四十回,可以高速連續的操作,堅固耐用,特別使用我們自制的電子按鍵開關和特殊馬達能耐用一千萬轉次。
初學者也可以順利操作:
單動連續均為自動循環運轉,作業者的兩手可完全離開機器,隻要是供應加工物品,初學者和熟練者的作業效率相同。
高精密攻牙行程調整簡單:
自動反轉裝置,能自由調整攻牙行程,淺孔和有孔底加工物,也能容易調整。
雙重安全裝置能防止螺絲攻之折損:
主軸回轉與上下、進退刀具,特設雙重安全離合器,主軸能自動停止,逆轉退回並不損耗刀具。
新手教學
批發市場僅提供代購諮詢服務,商品內容為廠商自行維護,若有發現不實、不合適或不正確內容,再請告知我們,查實即會請廠商修改或立即下架,謝謝。


