| 加工定製 | 是 | 類型 | 單向閥 | 材質 | 鋁合金 |
| 型號 | CV*V | 品牌 | ATOS/VTOZ | 適用范圍 | 液壓系統 |
| 產品別名 | 單向閥 | 適用介質 | 油品 | 適用溫度 | 24(℃) |
| 公稱壓力 | 35(MPa) | 公稱通徑 | 6-25(mm) | 安裝形式 | 疊加 版式 管式 |
| 工作溫度 | 常溫 | 類型(通道位置) | 直通式 | 連接形式 | 螺紋 |
| 零部件及配件 | 閥體 | 流動方向 | 換向 | 驅動方式 | 伺服 |
| 形態 | 旋轉式 | 壓力環境 | 高壓 | 主體材料 | 鋁合金 |
| 規格 | 疊加 版式 管式 |
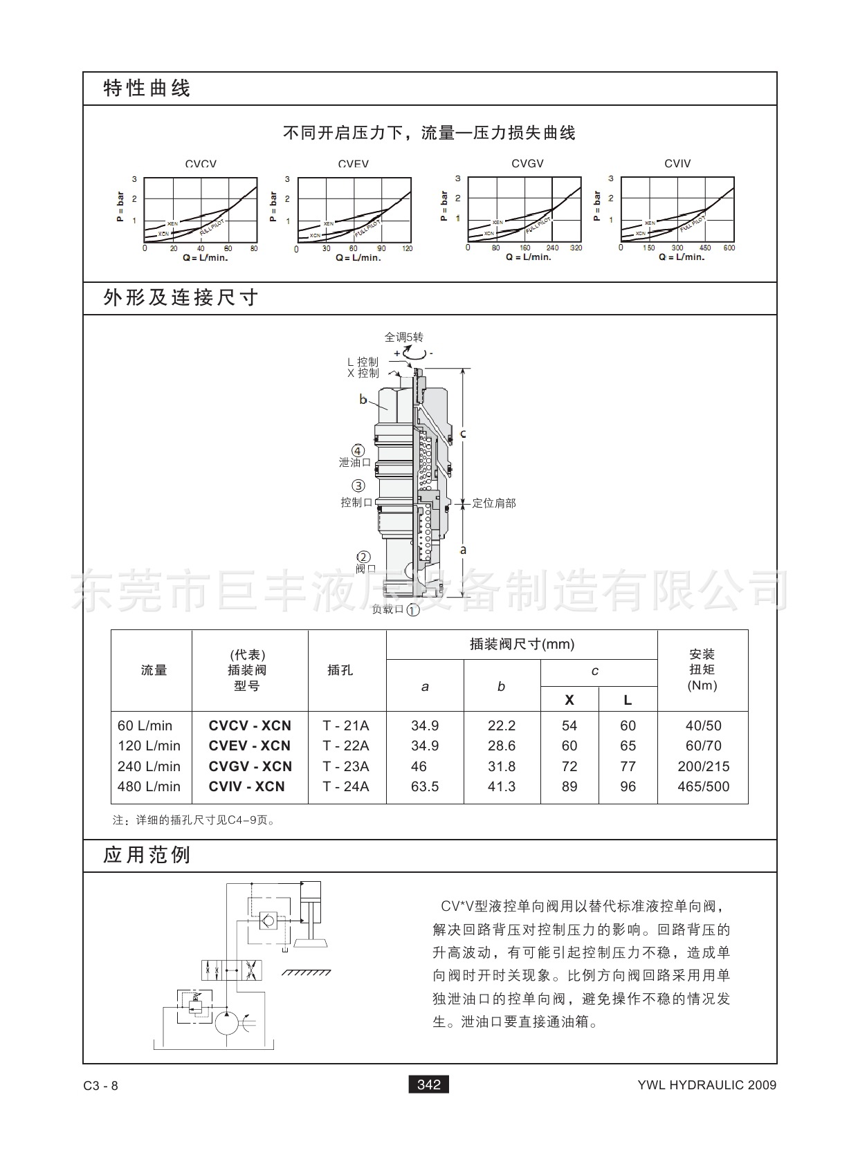
通徑(NG)8至30 壓力至31.5MPa 流量至400L/min 說明 -用於閥塊安裝直角式插裝單向閥直通式插裝單向閥 -一個方向無泄漏關閉 -可選擇不同的開啟壓力

新手教學
批發市場僅提供代購諮詢服務,商品內容為廠商自行維護,若有發現不實、不合適或不正確內容,再請告知我們,查實即會請廠商修改或立即下架,謝謝。


