| 加工定製 | 否 | 類型 | 方向閥 | 材質 | 鑄鋼 |
| 型號 | D1VW001CNJP | 品牌 | Parker/派克 | 適用范圍 | 註塑機、壓鑄機、機床、冶金 |
| 產品別名 | 電磁閥 | 適用介質 | 油品 | 適用溫度 | 65(℃) |
| 公稱壓力 | 31.5(MPa) | 公稱通徑 | 6、10(mm) | 安裝形式 | 板式 |
| 工作溫度 | 高溫 | 類型(通道位置) | 直通式 | 連接形式 | 法蘭 |
| 零部件及配件 | 線圈 | 流動方向 | 換向 | 驅動方式 | 電磁 |
| 形態 | 柱塞式 | 壓力環境 | 高壓 | 主體材料 | 鑄鐵 |
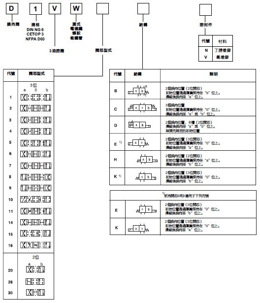
| 規格 | D1VW001CNJP |

直動式液壓閥是一種直動式 通高性能閥。它有
個或 個換向位置。該閥適用於板式和連接底板式管式安
裝,介面符合
。該閥是高循環率,長壽命,
高效率和低耗能。
閥的使用范圍是機床工業,特別是采用很多閥
的多工位自動生產線。由於電流消耗小( )和在電
磁鐵上帶有 × 結構,所以可以直接與 (可編程序
控製器)或 (現場總線)相連。
派克為在機床行業中分散的和標準化的安裝技術
(
)提供瞭一個適宜的解決方案。
新手教學
批發市場僅提供代購諮詢服務,商品內容為廠商自行維護,若有發現不實、不合適或不正確內容,再請告知我們,查實即會請廠商修改或立即下架,謝謝。


