| 加工定製 | 是 | 類型 | 流量閥 | 材質 | 鑄鐵 |
| 型號 | Y2D1O(H)-Ha/b/c/d/20B | 品牌 | 濟南隆利 | 類型(通道位置) | 直通式 |
| 連接形式 | 板式 | 驅動方式 | 油 |
產品介紹
- 產品信息
- 型號: Y2D1O(H)-Ha/b/c/d/20B
- 產品特點
- 它具有工作可靠,性能穩定,結構緊湊,體積小,重量輕等特點。根據用途不同,滑閥油H型(常開型)和O(常閉型)兩種機能。控製電源電壓為12V,24V和110V,在訂貨時請寫明電源電壓數值。
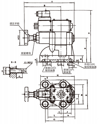
產品外形尺寸
產品型號意義
產品包裝圖
企業介紹
質檢報告

購買須知
1、廠傢貨源正品
所售產品均為我公司生產,隆利品牌,品質有保證。
2、關於型號
可根據調壓范圍選擇型號,如需幫助請聯系客服或致電本公司。我們將竭誠為您服務!
3、關於客服
在線時間9:00-17:00。如遇無響應,請致電本公司0531-87182004/87182568感謝理解~
4、關於售後
提供完善售後服務,一年保修,正品保證。
5、關於發貨
默認物流發貨。如有急件,賣傢幫忙聯系順豐、圓通、申通等快遞,運費買傢承擔。
新手教學
批發市場僅提供代購諮詢服務,商品內容為廠商自行維護,若有發現不實、不合適或不正確內容,再請告知我們,查實即會請廠商修改或立即下架,謝謝。










