


提及小徑沖孔,給人的印象大致是小於同時,φ1.0mm小徑孔相對應的材料板厚一般在1.0mm上下。
凸模的設計
| 為瞭進行保護,沖孔凸模如【圖1】所示,采用瞭通過卸料板對凸模前端進行導向(凸模導向)以防止凸模破損的對策。 凸模尺寸中P與B的關系,以B≤10P為設計準繩。 小孔凸模中,隨著B尺寸變短,凸模導向亦隨之愈加困難。 |
| 作為解決措施,采用瞭如【圖2】所示的臺階凸模。P上的d尺寸采用d≤P+2t左右。原因是為瞭避免凸模從材料中拔出時防止孔內部產生形變。 凸模前端導向長度的設定條件:導向長度 ≥ 凸模直徑。 此外,凸模與卸料板孔的單邊間隙0.003以上。 其設計原理是參考不發生油膜斷裂的最小間隙0.003。當然,對凸模側麵進行拋光加工也是可行的。 |
凹模的設計
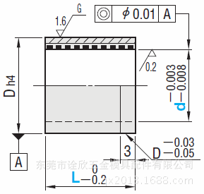
凹模設計的要點是避免沖裁廢料積留在凹模孔內。 其要點的問題癥結在於,所需的落料力之大,同時相抵觸的沖壓力之多
| ■參閱【圖3】 |
| 作為對策,應盡可能縮短刃口長度(A)。如果可能的話,應以逐一單片落料為設計理念。 原則上,落料孔(d寸)相對於P寸,應謹防尺寸懸殊。同時,若縮小d寸,凹模長度(L)亦應相應縮短。防堵塞對策。 配合間隙要大於常規間隙,以降低沖壓加工力。 在小徑孔加工時,若采用常規間隙加工,則會使沖壓麵拉長。同時亦是沖裁廢料留積凹模的原因。 |
凸模導套、凹模 |
采用先進的加工設備及工藝,確保產品質量、產品精度高、性能好、壽命長,並可根據具體使用環境選用不同材質。
可按客戶的訂單圖紙,模具要求量身訂做,用我們最專業的技術,精密的設備,更好的滿足客戶的要求不同材質沖針產品,供客戶選用參考: ◇材質:SKD11◇高溫淬火:硬度HRC60°-62°◇特點:高鉻鋼,淬火性佳,熱處理變形小,高耐磨性。適用於冷擠壓成形、拉伸模、啤不銹鋼片及高硬度材料的沖裁模。 ◇材質:SKH-51◇高溫淬火:硬度HRC59°-61°◇特點:硬度高,韌性強度好,耐磨耐性極佳。使用壽命大幅度提高,熱形變比得到完成控製。適用於高溫作業環境的模具。 ◇材質:ASP-23◇高溫淬火:硬度HRC64°-67°◇特點:高耐磨性(抗磨粒磨損)、高抗壓強度、非常好的淬透性、韌性好、熱處理的尺寸穩定性好、抗回火軟化性好。 更有其它SKH55、SKH59、ASP30、ASP60、FAX38等材料供選擇,材料品牌包括日本不二越、一勝百等 2005年6月合作成立湖北模具彈簧製造工廠; 2013年6月成立東莞市詮欣五金模具配件有限公司。 詮欣模具配件有限公司是一傢專註於:導柱、導套、沖頭、凹凸模、矩形模具彈簧的研發、設計、產銷為一體的廣東省民營科技企業,。詮欣公司擁有一批專業的技術及服務團隊,已成為富士康集團、海爾、格力、美的、志高、長虹電器以及豐田汽車、大眾汽車等國內國際知名品牌的合作夥伴和優秀供應商。 詮欣一直以來堅持以“誠信、積極、互惠、進取”之經營理念與廣大顧客戶攜手合作,共創輝煌!
TEL:0769-87703747 / FAX:0769-87703802 聯系人:彭小姐13316690606
受理時間:9:00~12:00、13:00~18:00 (周日和法定節假日除外
|
批發市場僅提供代購諮詢服務,商品內容為廠商自行維護,若有發現不實、不合適或不正確內容,再請告知我們,查實即會請廠商修改或立即下架,謝謝。







![120528095941[1]](https://cbu01.alicdn.com/img/ibank/2012/287/660/640066782_1741293772.jpg)
