產品介紹
- 產品信息
- 產品編號: GT06552
- 執行標準:
- 化學成分:
C
Si
Mn
S
Cr
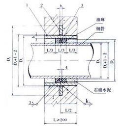
- 產品用途: 管道穿過鐵道、馬路、街道等處,為防止管道受荷載被壓壞,而在管道外部設置保護性套管,如:大口徑混凝土管道,大口徑鋼管等避免外力(荷載)直接作用在管道外壁上,造成管道破損,而采取的措施
產品實拍圖
產品參數
公司介紹
具體情況可以電話聯系我們,也可以直接到現場看貨.
廣州裕凱管件材料有限公司
電話:86 020-82334924
傳真:020-62956235
E-mail:[email protected]
郵編:510000
地址:廣州市黃埔區黃埔東路1662號(程 B1 B26 B28 B29 B30 B31至 沙浦站 下車即到)
采購說明
1、付款方式
(1).貨到付款(支持珠三角地區范圍);
(2).先付定金30%(廣東省外的其他省份);
(3).先付定金30%-50%,貨到付款(定製產品專用,支持全國);
2、退換貨政策
(1)鋼材為大宗商品,如因需方原因造成要退貨,雙方友好協商解決;
3、 發票製度說明
(1) 采購管材時,請將您單位的開票資料、有效的郵寄地址及收件人電話和手機號碼提供給銷售人員或傳真至本公司,發票將由我公司以快遞方式送達(快遞費用將由我方承擔);
新手教學
批發市場僅提供代購諮詢服務,商品內容為廠商自行維護,若有發現不實、不合適或不正確內容,再請告知我們,查實即會請廠商修改或立即下架,謝謝。









