


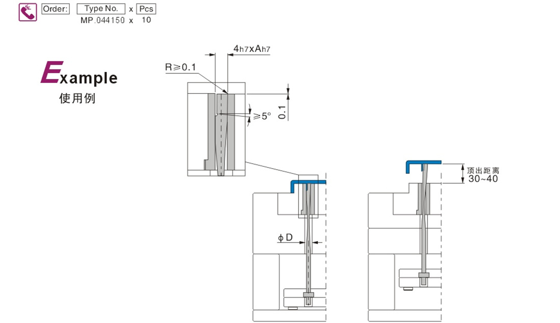
彈弓頂針MP. 用於從底部釋放彈性,頂出機構能預先調整所需頂出的高度。
Sprung core 產品易安裝,安裝時分型麵成90度。
材質:1.2101 硬度:45±3HRC Apply to release elasticity from bottom,the ejector device can
adjust to required eject height in advance.easy to install,and
keep 90° with the devided surface when install it.

Type | A | ∮B | ∮C | D | 單價¥ |
MP.044150 | 4 | 8 | 10 | 4 | 1800 |
MP.054150 | 5 | 8 | 10 | 4 | 1800 |
MP.064150 | 6 | 10 | 12 | 5 | 2000 |
MP.074150 | 7 | 10 | 12 | 5 | 2000 |

我司專業生產標準模具配件:彈弓頂針,限位夾,日期章,氣頂,鎖模組件,二次頂出,加速頂出,冷卻棒,計數器,止水栓。。。等標準或非標來圖加工。
聯系電話:0769-83600929 傳真:0769-93600919;
公司電話:0769-82260535
企業QQ:2851017101(陳小姐);2851017102(潘小姐)
聯系地址:東莞市黃江鎮田心村元崗三街。
或登錄公司網站:Http://www.baitomould.com
瞭解更多更全麵的模具配件,百通--您的最佳選擇
批發市場僅提供代購諮詢服務,商品內容為廠商自行維護,若有發現不實、不合適或不正確內容,再請告知我們,查實即會請廠商修改或立即下架,謝謝。


