



上海擎揚精密模具配件有限公司隸屬於上海華世邦模具科技股份有限公司旗下,是一傢集研發、製造、銷售、服務於一體的優秀企業。因我公司擁有一支優秀的技術團隊,一批先進的進口加工設備。所以我公司的產品,無論是在品質,還是交期,都得到瞭有效保證。公司經過幾年的發展,客戶已經遍佈長三角、珠三角、京津冀及全國各地。
汽車模具配件主要有:擋鍵、定位鍵、單向導板、自潤滑導板、CSR等高套筒、固定塊組件、固定銷止動凹模襯套、CSR套筒式限位螺釘、側銷組件、側銷用鎖板、材料定位支架、定位導正銷、斜楔等
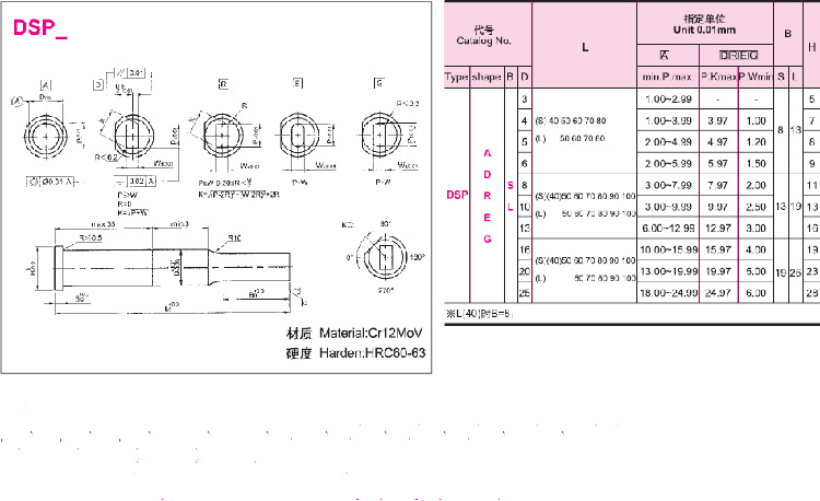
冷沖模具配件主要有:氮氣彈簧、日標模具彈簧、日本大同彈簧;輔助導柱導套、SGP滑動導柱導套、RD、RZ、PD、PZ模架用滑動導柱組件;SRP滾珠導柱導套、PMSH(GMSH)、PKSH(GKSH)、PM(GM)、PK(GK)模架用鋼球導柱組件;TUB、TUR獨立導柱;MISUMI標準MYP、MYZP滑動導柱組件;MYAP、MYJP可動擋塊鋼球型獨立導柱;MYKP、MJKP固定擋塊獨立導柱組件;SKD11沖針、子母沖頭;圓柱銷、內螺紋合銷、MSTM定位銷;等高套筒、等高螺絲、玻珠螺絲、12.9級螺絲、進口磨床鋼繩等。
新手教學
批發市場僅提供代購諮詢服務,商品內容為廠商自行維護,若有發現不實、不合適或不正確內容,再請告知我們,查實即會請廠商修改或立即下架,謝謝。


