















Technical information
材料
磨光硬化鋼 (HRC 60 ± 2)。
單側孔(A款)。
特征及應用
標準表列出的尺寸隻是一組節選的DIN標準(目前已撤銷)。
對於涉及定位的應用,我們建議將導引襯套與GN 771.1定位銷結合使用。
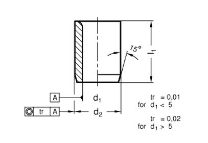
外直徑d2依據的n6公差確保可精確壓入H7的安裝孔。
新手教學
批發市場僅提供代購諮詢服務,商品內容為廠商自行維護,若有發現不實、不合適或不正確內容,再請告知我們,查實即會請廠商修改或立即下架,謝謝。
諮詢直撥專線:香港 8175-8056 大陸 0592-5638-176 台灣代購需求可諮詢 台灣批發市場 Email:[email protected]
全部目錄
















磨光硬化鋼 (HRC 60 ± 2)。
單側孔(A款)。
標準表列出的尺寸隻是一組節選的DIN標準(目前已撤銷)。
對於涉及定位的應用,我們建議將導引襯套與GN 771.1定位銷結合使用。
外直徑d2依據的n6公差確保可精確壓入H7的安裝孔。


