導柱簡介:
米奇精密的導柱主要分帶肩型和直桿型兩大類
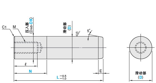
導柱同模板通常采用過盈配合固定,故導柱根部的固定部分設定為正公關。導柱同導套通常采用間隙配合相對運動,故導柱工作麵的外徑尺寸設定為負公差。為瞭使合模時導柱順利插入導套,米奇精密的導柱在頂角部還加工瞭由錐麵及R角組成的導入部。












深圳市米奇精密機械有限公司,是一傢頗具實力的模具加工企業。憑藉著在塑膠模具及沖壓模具產業多年累積的經驗,為客戶打造專屬的零件,這都是靠著專業團隊的知識和豐富的經驗及時間累積而來,米奇精密有著優良的公司文化並在專業知識領域深耕,一切都是從客戶立場著想,在講究快速,有效率的生產。產品廣泛服務於塑膠、五金、電子、電器、汽車、醫療等行業。公司堅持“卓越品質、精益求精”的理念,以嚴謹、求精、創新的經營理念,以專業的品質,一流的服務,為客戶提供最專業的產品專業的解決方案和最優質、最可靠的售後服務。公司的願景是與業內同行攜手共同維護行業的健康發展,創建和諧美好的環境與社會,以優質的產品和專業的服務保證客戶的需求,熱忱歡迎國內外客商光臨參觀、指導和業務洽談,以探求共同發展。


新手教學
批發市場僅提供代購諮詢服務,商品內容為廠商自行維護,若有發現不實、不合適或不正確內容,再請告知我們,查實即會請廠商修改或立即下架,謝謝。


