商品代碼:5063535

  • 現在位置: 首頁 » 貨源 » 機械設備 » 模具 » 塑料模具配件 »
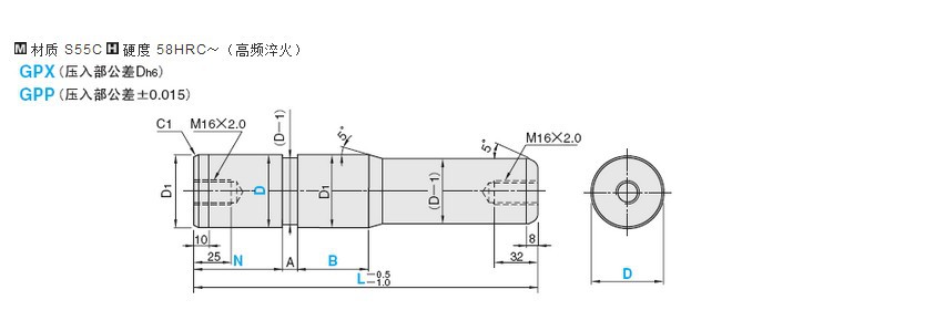
    日本米思米大/中型模具用導柱GPX40-100-N5-B5/GPP40-100-N5-B5
    商品代碼: 5063535
    (可點擊以下立即詢價直接線上諮詢,或來電提供此商品代碼諮詢)
    即日起提供日本樂天代購服務-詳見 Rakuten-suki日本樂天代購,謝謝。
    商品詳細說明

    型號GPP40-100-N5-B5

    undefined

    undefined

    undefined

    undefined



    新手教學
    日本米思米大/中型模具用導柱GPX40-100-N5-B5/GPP40-100-N5-B5_塑料模具配件_模具_機械設備_貨源_批發一路發
    批發市場僅提供代購諮詢服務,商品內容為廠商自行維護,若有發現不實、不合適或不正確內容,再請告知我們,查實即會請廠商修改或立即下架,謝謝。
    相關商品
    line 線上客服  ID@tsq1489i
    線上客服