


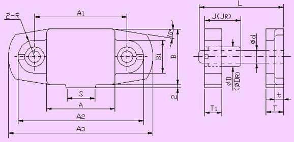
沖模標準模架由上、下模座及導向裝置(導柱和導套)組成。根據上、下模架的材料,將模架分為鑄鐵模架和鋼鐵模架兩大類。依照模架中導向方式的不同,又將模架分為沖模滑動導向模架和沖模滾動導向模架。每類模架中又可由導柱的安裝位置不同和導柱的數量不同分為中間導柱模架、後側導柱模架、對角導柱模架、四角導柱模架等。
匯禾品牌模架(原精瑞品牌)經過14年的磨練,價格優惠!質量更優!歡迎大傢咨詢定購!
規格尺寸:60*60至300*180
規格尺寸不同,單價以報價為準!
請加QQ 99405734或撥打電話:153-37269192
可根據您的圖紙,定做導柱加長模架、特大五金沖壓模架,鋼板模架,獨傢生產!
新手教學
批發市場僅提供代購諮詢服務,商品內容為廠商自行維護,若有發現不實、不合適或不正確內容,再請告知我們,查實即會請廠商修改或立即下架,謝謝。


