| BAYD81防爆標志燈 | ||||||
| 應用范圍 | ||||||
| ◆適用於石油開采、煉油、化工、軍工等危險場所,作安全出口指示、疏散標志之用。 ◆適用於爆炸性氣體環境的1區、2區危險場所。 ◆適用於ⅡA,ⅡB類爆炸性氣體環境。 ◆適用於可燃性粉塵環境20區、21區、22區場所。 ◆適用於防護要求較高,潮濕等場所。 ◆適用於T1-T6組溫度組別。 | ||||||
| 產品特性 | ||||||
| ◆外殼采用優質鋁合金壓鑄成型,強度高;表麵高壓靜電粉沫噴塗處理,耐腐蝕。 ◆選用耐高溫、抗沖擊鋼化玻璃透明罩。 ◆選用國際知名品牌LED光源,光效高、顯色性高、能耗低、超長使用壽命,免維護,無需後續使用成本。 ◆獨特的內部電路.具有過充電保護、短路保護,過放電保護等多種功能。 ◆密封式結構設計,可在惡劣的環境下使用。 ◆本燈具為常明燈形式,即正常照明、應急照明燈具均顯示,在正常電源斷電時,自動切換到應急狀態,應急電池放電,應急時間不小於120min。 ◆顯示麵板有1-12型,供用戶選用,亦可根據用戶要求訂製。 ◆鋼管或電纜佈線均可。 | ||||||
| 技術參數 | 效果圖 | |||||
| 執行標準: | GB3836.1,GB3836.2,GB12476.1 | ![]() | ||||
| 額定電壓: | AC220V | |||||
| 配用光源: | LED(2W) | |||||
| 電纜規格: | Φ10-Φ14mm | |||||
| 接線端子: | ≤2.5mm²導線可靠連接 | |||||
| 防爆標志: | ExdⅡBT6 /DIP A20 Ta,T6 | |||||
| 防護等級: | IP66 | |||||
| 防腐等級: | WF1 | |||||
| 重 量: | 3kg | |||||
| 訂貨編號 | ||||||
| 註:訂貨時必須註明標志牌代號。 | ||||||
| 標志牌代號 | ||||||
![]() | ||||||
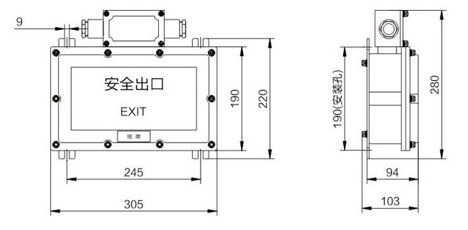
| 安裝示意圖 | ||||||
![]() | ||||||
| 質保承若 | ||||||
| 本公司產品嚴格按照ISO9001:2008質量保證體系進行質量控製,產品在合同質保期內實行質量三包,產品嚴格按照國傢標準設計生產,所有原材料及配 件均選用優等品。產品實行三年保用,質保期內在正常使用條件下,出現一切質量問題我方將及時給予維修或更換,所供產品在質保期內如出現質量問題,維修費用 由我司承擔。 | ||||||
新手教學
批發市場僅提供代購諮詢服務,商品內容為廠商自行維護,若有發現不實、不合適或不正確內容,再請告知我們,查實即會請廠商修改或立即下架,謝謝。





