![]() 掃本店 | ![]() 掃本品 |
CXF-300風力發電機產品彩頁

CXF-300風力發電機整體結構

CXF-300風力發電機的標準配件
代號 | 零部件 | 單位 | 數量 | |
已裝配 | 待裝配 | |||
1 |
| 條形彎葉片 | 條 | 3 |
2 |
| 避雷針球 | 個 | 1 |
3 |
| 內六角防滑螺栓 | 套 | 24 |
4 | 葉片頂部固定座 |
| 個 | 1 |
5 | 葉片底部固定座 |
| 個 | 1 |
6 | S型風筒 |
| 個 | 1 |
7 | 永磁發電機 |
| 臺 | 1 |
8 | 底座法蘭盤 |
| 個 | 1 |
9 | 發電機電線 |
| 根 | 3 |
總數量 | 36 | |||
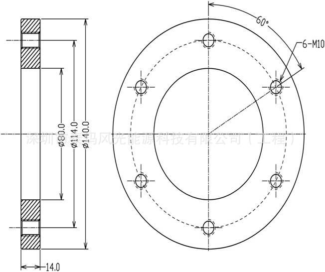
CXF-300風力發電機底座法蘭盤

CXF-300風力發電機故障檢修
檢查部位 | 故障名稱 | 修復對策 |
風機 | 有風不轉 | 1.檢查電池電壓是否過高,風機風葉是否裝反。2.檢查控製器上風機線路是否短路。 3.確定風速情況,檢查風機是否受風。 |
卡死不轉 | 1.檢查風機底座上固定位螺口是否松動。 2.檢查風機電機裡是否卡位。註意(如果能確定是電機裡卡位,請不要隨意拆卸,聯系本公司,必須返廠修。 | |
不充電 | 1.檢查風機電壓,轉速及風速情況。2.檢查電池是否存在電壓過高或老化 3.檢查線路是否正常。4.控製器是否異常,如發現控製器異常,必須返廠修理。 | |
異常噪音 | 1.檢查風機是否有的螺絲是否松動。 2.檢查安裝風機是否垂直或搖擺。註意(風機在加速或剎車時,電機發的聲音屬於正常)。 | |
太陽能板 | 不充電 | 1.檢查光伏線路是否異常。2.檢查太陽能板麵是否破。 3.控製器是否異常,如控製器異常,需返廠修理 |
效率低 | 1.檢查太陽能板朝向及當地的經緯度。2.檢查電池是否快充。 | |
電池 | 不充電 | 1.檢查線路是否異常、產品是否過保質期2.檢查電池容量及電壓是否過低,(小於8V)或長時間停止使用。 |
LED | 不亮 | 1.檢查燈頭線路是否異常。2.檢查控製器的負載是否供電異常。3.檢查恒流源是否供電異常。 |
燈閃爍 | 1.檢查控製器是否正常。2.檢查電池容量是否過低。3.檢查接線端子是否已有松動。 | |
控製器 | 不充電 | 1.觀察當地的風速及光照情況。2.檢查風機太陽能板電池是否異常。 3.可檢閱控製器的顯示,確定控製器是否異常,如有異常註:(請不要隨意拆卸,聯系本公司,必須返廠修理)。 |
控製燈不亮 | 1.檢查控製器模式是否調錯。 2.檢查電池電壓是否過低。(小於24V)3.檢查是否晚上受外光影響,太陽能板電壓高於2V。 |
領導、客戶參觀洽談

論壇、展會、媒體
新聞報道
批發市場僅提供代購諮詢服務,商品內容為廠商自行維護,若有發現不實、不合適或不正確內容,再請告知我們,查實即會請廠商修改或立即下架,謝謝。




