氣體樣品預處理是專用於氣體分析的系統,全自動控製、自動排水、自動反吹、自動標定等,用於窯尾氣體分析、一級筒氣體分析、煤粉倉氣體分析、磨煤機氣體分析、在線工業色譜、天然氣分析、合成氨過程分析、甲醛過程分析、尿素循環氣分析、催化裂化裝置再生煙氣分析、硫回收裝置過程分析、烯炔、芳炔過程氣體分析、煉油過程分析、 原料氣檢測、氧化反映氣體分析、甲烷轉化分析、伴水煤氣氣體分析、低溫甲醛洗氣體分析、變換脫碳氣體分析、氧化鋯標定系統分析、CEMS煙氣分析、等各種氣體分析場所。

應用領域:
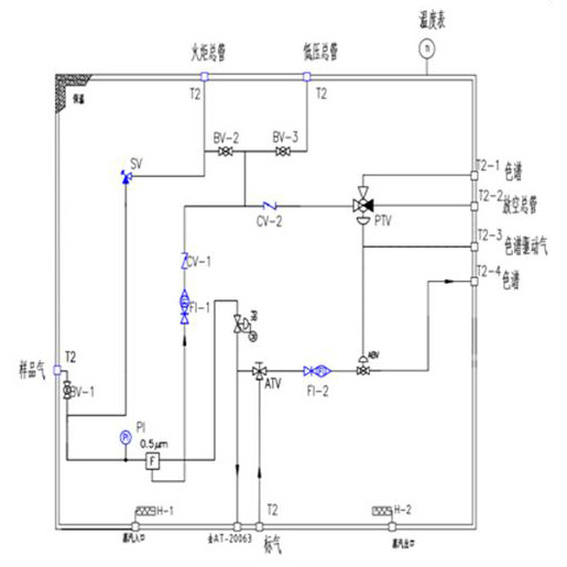
在線分析機通常需要不含乾擾組分的清潔、非腐蝕的樣品,在正常情況下,樣品必須是在限定的溫度、壓力和流量范圍之內。樣品處理的基本任務和功能歸納如下:流量調節,包括快速流路和分析回路;壓力調節,包括降壓、抽吸和穩壓;溫度調節,包括降溫和保溫;除塵,除水除濕和氣液分離;去除有害物,包括對分析機有危害的組分和影響測量的乾擾組分。
前級預處理單元和後級預處理單元:前處理單元對取出的樣品進行初步處理,使樣品適合於傳輸,縮短樣品的傳輸滯後,減輕與處理單元的負擔,如減壓、降溫、除塵、除氣化等。後級預處理單元對樣品做進一步處理和調節,如溫度、壓力、流量的調節,過濾、除濕、去除有害物等,安全泄壓、限流和流路切換等。
技術優勢:
1、減壓:對於工藝管線中壓力較高的樣品必須進行降壓處理。
2、降溫和升溫:對於工藝管線中溫度較高的樣品必須進行降溫處理。
3、過濾:對於含雜質的樣品必須過濾,方法是:采用過濾器。
4、乾燥:對於有水氣的樣品,必須進行乾燥處理。
5、汽化或液化:對於液體樣品,必須進行汽化處理。對於需要液體樣品有時需要液化。

批發市場僅提供代購諮詢服務,商品內容為廠商自行維護,若有發現不實、不合適或不正確內容,再請告知我們,查實即會請廠商修改或立即下架,謝謝。


