慶雲縣機床防護罩廠 電話:18905441058
撞塊槽板
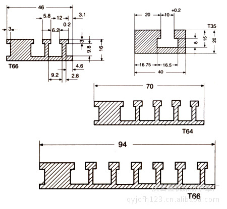
規格 槽板寬度 槽板高度 槽位上寬 槽位下寬 槽位內高 槽向隙寬度 T61 40 20 10 20 8 T62 46 16 6.2 9.2 9.8 5.8 T63 58 16 6.2 9.2 9.8 5.8 T64 70 16 6.2 9.2 9.8 5.8 T65 82 16 6.2 9.2 9.8 5.8 T66 94 16 6.2 9.2 9.8 5.8 撞塊運用於機床行程限位,與槽板配套使用,根據各用戶機床的不同行程,選用不同規格的撞塊。撞塊槽板安裝方便,機動性好,造型美觀,表麵平整,能緊固於組合機床 機械平臺,液壓滑臺等各種機床上麵。 本品根據國外同類產品(西德樣品)研製生產,可以較為合理地完成機床控製要求,在一定程度上提高瞭機床的工作效率。 槽板是用鋁型材一次成型而成,它分一槽 二槽 三槽 四槽 五槽 六槽。
新手教學
批發市場僅提供代購諮詢服務,商品內容為廠商自行維護,若有發現不實、不合適或不正確內容,再請告知我們,查實即會請廠商修改或立即下架,謝謝。


