
參照標準:HG/T2375-1992
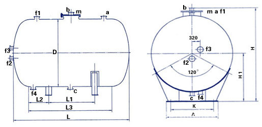
搪玻璃臥式貯罐外形尺寸及管口尺寸
公稱容積 L | 實際容積 L | 尺寸 (mm) | 管口尺寸 | 約重 Kg | ||||||||||||
D | H 1 | H | L 1 | L 2 | L 3 | L | A | K | a | b | c | f 1-4 | m | |||
3000 | 3337 | 1450 | 1089 | 2146 | 794 | 330 | 1454 | 2288 | 1300 | 1090 | 80 | 70 | 80 | 70 | 300400 | 1250 |
4000 | 4457 | 1450 | 1089 | 2146 | 1474 | 330 | 2134 | 2968 | 1300 | 1090 | 80 | 70 | 80 | 70 | 300400 | 1590 |
5000 | 5550 | 1600 | 1166 | 2300 | 1420 | 360 | 2140 | 3052 | 1430 | 1180 | 80 | 70 | 80 | 70 | 300400 | 2020 |
6300 | 7024 | 1750 | 1243 | 2454 | 1474 | 390 | 2254 | 3246 | 1560 | 1300 | 80 | 70 | 80 | 70 | 300400 | 2560 |
8000 | 8910 | 1900 | 1318 | 2604 | 1590 | 420 | 2430 | 3496 | 1690 | 1420 | 80 | 70 | 80 | 70 | 300400 | 2960 |
10000 | 11094 | 2000 | 1368 | 2704 | 1880 | 450 | 2780 | 3900 | 1780 | 1490 | 100 | 80 | 100 | 70 | 300400 | 3730 |
12500 | 13921 | 2000 | 1368 | 2704 | 2740 | 470 | 3680 | 4800 | 1780 | 1490 | 100 | 80 | 100 | 70 | 300400 | 4570 |
16000 | 17756 | 2200 | 1470 | 2908 | 2840 | 500 | 3840 | 5080 | 1950 | 1680 | 100 | 80 | 100 | 70 | 300400 | 5570 |
20000 | 22332 | 2400 | 1572 | 3112 | 2930 | 550 | 4030 | 5374 | 2130 | 1890 | 100 | 80 | 100 | 70 | 300400 | 6910 |
30000 | 33300 | 3000 | 1876 | 3720 | 2370 | 630 | 3630 | 5282 | 2650 | 2430 | 100 | 80 | 100 | 70 | 300400 | 9680 |
40000 | 41000 | 3000 | 1876 | 3720 | 3460 | 630 | 4720 | 6356 | 2650 | 2430 | 100 | 80 | 100 | 70 | 300400 | 11350 |
50000 | 51600 | 3000 | 1876 | 3720 | 4960 | 630 | 6220 | 7856 | 2650 | 2430 | 100 | 80 | 100 | 70 | 300400 | 14500 |
搪玻璃貯罐技術特性
K,F 型 | 最高工作壓力 Mpa | 使用溫度oC | 瓷層厚度 mm | 玻璃層高電壓 試驗 kv |
罐 內 | ||||
0.25 | 0~150 | 0.8~2.0 | 20 (用戶復驗 6) | |
備註: 搪玻璃使用溫差極限:冷沖擊: 110oC,熱沖擊: 120oC。(破壞性試驗) | ||||
批發市場僅提供代購諮詢服務,商品內容為廠商自行維護,若有發現不實、不合適或不正確內容,再請告知我們,查實即會請廠商修改或立即下架,謝謝。


