
JK-8C多路溫度測試機配備大屏幕液晶顯示屏,U盤保存介面,可方便測量顯示和保存溫度數據,是一種適用於多點同時實時監控跟蹤的機器。使用高耐壓半導體繼電器作為切換輸入信號的掃描,實現瞭高速掃描,消除瞭傳統采用繼電器帶來的噪音及使用壽命問題。
技術特性
可設定各通道上下限溫度值,超限聲音報警。大屏幕液晶顯示,可同時顯示多路溫度值具備U盤介面,插入U盤可海量保存溫度記錄數據。
特別針對燈具、傢用電器、電機、電熱器具、溫控器、變壓器、熱保護器等行業的製造廠傢及質檢部門對多點溫度場的檢測。節能燈、電子鎮流器內部的三極管、扼流圈、磁環、電容等元件的溫度同時進行帶電實時監控,由電腦將整個溫升變化過程全部以曲線方式記錄下來,便於分析、改進、對提高節能燈、電子鎮流器的可靠性起到很大作用。
型號 | 通道 | 帶電測試 | 內部存儲 | 隨身碟口 | RS232通訊介面 |
JK-XU | 8 | 支持300V | 有 | 有 | 有 |
16 | 支持300V | 有 | 有 | 有 | |
24 | 支持300V | 有 | 有 | 有 | |
32 | 支持300V | 有 | 有 | 有 | |
64 | 支持300V | 有 | 有 | 有 |
主要技術指標:
1、測溫范圍:-100℃~1000℃;
2、測量精度:0~1000℃:±(讀數值×0.5%+1)℃,
-100~0℃:±(讀數值×0.5%+2)℃;
3、具有抗高頻乾擾功能。
4、溫度信號輸入通道數:最多可配置8組,每組8路;
5、傳感器:鎳鉻-鎳矽(K型)熱電偶(T型,J型可特製)。
允許環境條件
1、供電電源:AC 220V±10%,50Hz±2%;
2、使用環境:工作溫度:-20-70℃,相對濕度:20%-90%;
3、熱電偶相互之間最高電位差:<350V(真有效值);
體積
1、外形尺寸:(長×寬×高)36cm×26cm×16cm
2、整機重量:約5kg
JK-XU/XA溫度測試機適用於燈具、傢用電器、電機、電熱器具、溫控器、變壓器、熱保護器等行業的製造廠傢及質檢部門對多點溫度場的檢測。
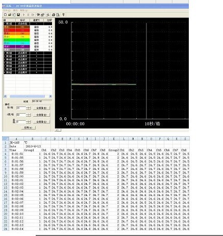
1: 溫度測試軟件與機器配合使用,計算機自動接收測試數據,實現溫度記錄,存貯和曲線顯示,並打印表格及曲線。
1: 溫度測試軟件與機器配合使用,計算機自動接收測試數據,實現溫度記錄,存貯和曲線顯示,並打印表格及曲線。
2: 可以設定參數選用1~64 路任意路測量 , 配接不同的熱電偶滿足不同的溫度測量范圍;大屏幕液晶顯示,各路溫度參數和溫度曲線顯示,(各路溫度值全部顯示及一路溫度報警通道)和測量參數設定的完美結合,滿足用戶測量顯示的全部要求,功能更完善;直接驅動打印機,計算機串行通信直接連接電腦采集數據,軟件為專門針對用戶多路溫度同時使用的特殊要求,既可以同時測一個樣品或多個不同樣品,或記錄多個測試部位名稱,也可以不同吋段測一個樣品或多個不同樣品,可以設定溫度曲線顏色,有專業設計簡繁體中文和英文版本,適合多種不同測試用途需求。
3: 免安裝使用。是性價比優異的專業溫度測試機器。
4: 溫度測試軟件與機器配合使用,計算機自動接收測試數據,實現溫度記錄,存貯和曲線顯示,並打印表格及曲線。
5: 測量范圍:J分度號-100~750±℃(0.3%rdg+1.0℃)解析度:0.1℃ K100~1200±℃(0.3%rdg+1.0℃)解析度:0.1℃ T分度號-100~400±℃(0.3%rdg+1.0℃)解析度:0.1℃
6: 冷端環境溫度:測量范圍0~60℃ 測量精度±5℃設定參數選用1~64路任意路測量,配接不同的熱電偶滿足不同的溫度測量范圍;
7: 熱電偶探頭可接觸不超過AC250V的帶電物體進行測量而不會損壞機表; 熱電偶探頭可接觸發熱體有相關極限,訂貨時須提出測量溫度范圍,以提供相應防護材料{價格另計}
8: 所有設定參數停電保持5天;具有定點、巡檢功能;巡檢時間可設定:1秒~255秒,測量時間間隔可以設定(不少於1秒);
9: 溫度單位攝氏(C)華氏(F)可以自動轉換;一臺機器可以選用T J K熱電偶滿足不同溫度范圍的測試;
10: 測試通道可以任意設定,滿足測量的要求和速度;
11: 本機還帶有日期和時間設定,斷電後仍保存5天;
12: 狀態欄實時顯示設定參數;各通道不均勻度: 0.5 度;
13: 記錄:記錄間隔時間可設定(記錄間隔 不少於8秒),可記錄8000組數據
14: 斷電綜護:用電子硬碟保存參數和歷史數據,斷電後永久保存。
15: 測量精度優於 0.5 級;選配串行RS232介面,可跟計算機串行通信;選配計算機系統軟件采集溫度數據,繪製溫度曲線,同時將溫度數據曲線同步保存到電腦
為防止突然斷電影響測試,建議配UPS電源
機箱: 300 (寬) 140 (高) 260 (深) (mm) ;
新手教學
批發市場僅提供代購諮詢服務,商品內容為廠商自行維護,若有發現不實、不合適或不正確內容,再請告知我們,查實即會請廠商修改或立即下架,謝謝。


