- 產品信息
- 型號: HY-Ha20B
- HY-Hb20B
- HY-Hc20B
- HY-Hd20B
- 產品特點
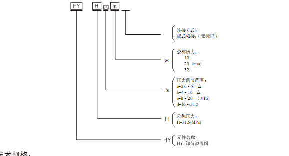
- HY型卸荷溢流閥是在Y2型溢流閥的基礎上和特製的單向閥疊加而成。其工作可靠,性能穩定,且具有結構緊湊,體積小重量輕,使用和維修方便等特點。它在液壓系統中主要適用於蓄能器卸荷系統和高低壓組合泵卸荷系統。
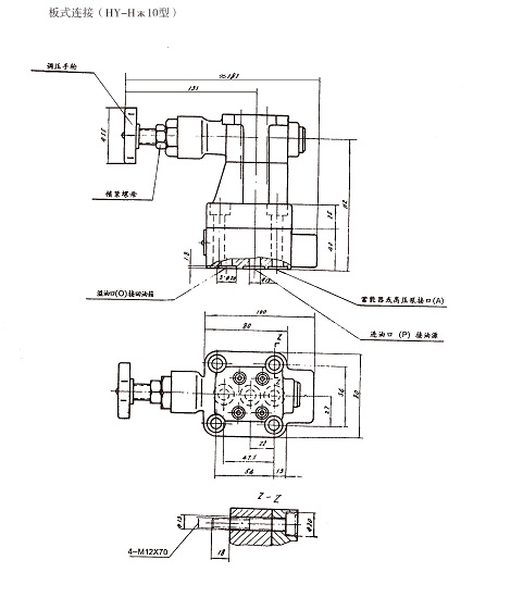
產品外形尺寸
產品型號意義

新手教學
批發市場僅提供代購諮詢服務,商品內容為廠商自行維護,若有發現不實、不合適或不正確內容,再請告知我們,查實即會請廠商修改或立即下架,謝謝。




