
產品詳情
美國Parker派克PV系列軸向柱塞泵--產品特點
1、新式斜板通軸結構,大型補償活塞,使振動噪音,流量振動大幅改善。
2、剛性的結構和高轉速低磨擦的構造,使油泵的壽命,效率更加理想化。
3、使用模組化設計,使控製機構更加多元化,設計者容易自行變化控製功能。
4、強力的通軸設計,可變聯,多聯或與其他油泵連接。
5、用於開式回路經由省能源泵控製系統的應用,可大幅改善電力消耗,油溫的上升,系統精度與壽命。
6、廣泛應用於車輛工業,船舶,鍛壓,輪胎機,註朔機,機床專用機。
美國Parker派克PV系列軸向柱塞泵--使用註意事項
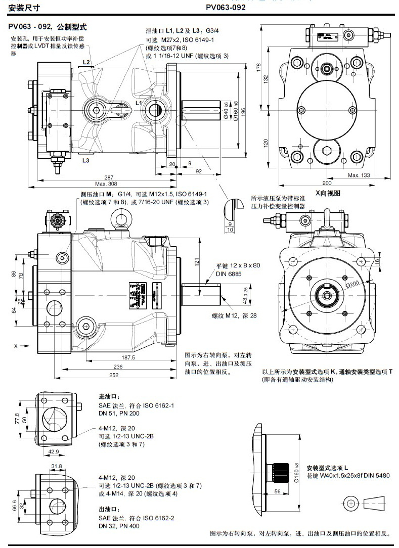
1、油泵使用安裝位置,泄油口朝上,管路背壓須低於0.2MPa單獨回油箱。
2、最高壓力使用,每一循環運轉時間不超過6秒、液壓油清潔規范,請參見使用說明書。
3、本公司提供多連油泵,亦可與其他形式油泵連結,連結方式采用標準的公製連接尺寸和SAE連接尺寸。
4、其他事項請參照本公司綜合樣本。


深圳市奧斯特液壓設備有限公司,主要經營的知名品牌有:美國威格士VICKERS、德國力士樂REXROTH、日本油研YUKEN、日本東京計器(東京美)TOKIMEC、日本大金DAIKIN、日本不二越NACHI、日本住友SUMITOMO、法國丹尼遜DENISON、美國派克PARKER等國外名優品牌。產品包括:油泵、液壓油泵、進口油泵、國產油泵、高壓泵、齒輪泵、定量泵、葉片泵、柱塞泵、變量泵、活塞泵、雙聯泵、三聯泵、泵配件、泵維修、液壓機械及部件。





產品詳情
美國Parker派克PV系列軸向柱塞泵--產品特點
1、新式斜板通軸結構,大型補償活塞,使振動噪音,流量振動大幅改善。
2、剛性的結構和高轉速低磨擦的構造,使油泵的壽命,效率更加理想化。
3、使用模組化設計,使控製機構更加多元化,設計者容易自行變化控製功能。
4、強力的通軸設計,可變聯,多聯或與其他油泵連接。
5、用於開式回路經由省能源泵控製系統的應用,可大幅改善電力消耗,油溫的上升,系統精度與壽命。
6、廣泛應用於車輛工業,船舶,鍛壓,輪胎機,註朔機,機床專用機。
美國Parker派克PV系列軸向柱塞泵--使用註意事項
1、油泵使用安裝位置,泄油口朝上,管路背壓須低於0.2MPa單獨回油箱。
2、最高壓力使用,每一循環運轉時間不超過6秒、液壓油清潔規范,請參見使用說明書。
3、本公司提供多連油泵,亦可與其他形式油泵連結,連結方式采用標準的公製連接尺寸和SAE連接尺寸。
4、其他事項請參照本公司綜合樣本。


深圳市奧斯特液壓設備有限公司,主要經營的知名品牌有:美國威格士VICKERS、德國力士樂REXROTH、日本油研YUKEN、日本東京計器(東京美)TOKIMEC、日本大金DAIKIN、日本不二越NACHI、日本住友SUMITOMO、法國丹尼遜DENISON、美國派克PARKER等國外名優品牌。產品包括:油泵、液壓油泵、進口油泵、國產油泵、高壓泵、齒輪泵、定量泵、葉片泵、柱塞泵、變量泵、活塞泵、雙聯泵、三聯泵、泵配件、泵維修、液壓機械及部件。




批發市場僅提供代購諮詢服務,商品內容為廠商自行維護,若有發現不實、不合適或不正確內容,再請告知我們,查實即會請廠商修改或立即下架,謝謝。


