| 加工定制:是 | 類型:管式換熱器 | 品牌:恒業 |
| 傳熱方式:混合式換熱器 |
產品概述
普通列管式換熱器因其結構簡單,造價低廉,通用性強等得到瞭極為廣泛的應用。但對高粘度物料進行換熱操作,換熱效率則顯著降低,且由乾管內存在較大的斷麵溫度分佈不均勻性,因而也會產生其他質量劣化問題。
針對這一難題,本公司長期跟蹤相關動向,並與有關科研所合作攻關,成功開發出H型高效換熱器。本系列換熱器換熱管采用靜態混合元件,其總傳熱系數比普通換熱器提高3-6倍。靜態混合元件在傳質方麵的卓越表現已得到業內人士的一致認同。H型高效換熱器的開發成功,再一次以實踐證明瞭傳熱與傳質的相似性理論。
性能特點
H型高效換熱器除具有一般列管式換熱器的優點外,還具有以下特點:
1、傳熱效率普通提高,尤其是對高粘度物料。
2、管內物料不存在斷麵溫度分佈不均勻性。
3、管程具有一定的自潔作用。
4、為達到相同換熱效果,可降低傳熱溫差而降低熵損,提高熱能利用率。
5、為達到相同換熱效果,可減少傳熱麵積,減少裝置占地麵積。
適用范圍
H型高效換熱器特別適用於對高粘度物料的換熱操作,其粘度范圍為50-500000cp。廣泛應用於石油化工、食品工業和合成纖維方麵。如PBT、PET工聚丙烯晴、聚對苯二甲酸乙二酯等(詳細設計、選型請與德力科公司技術部聯系)。
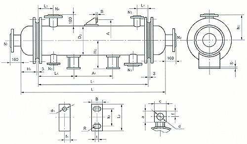
結構形式
註:1、本系列為固定管板式。
2、換熱管采用正三角形排列,按標準規定選用。
3、折流板為弓形圓缺形,缺口位置上下型和左右型均可。
4、殼程進口未設防沖板,如需要可在訂貨時提出。
5、安裝方式分立式和臥式。
6、管子與管板采用焊接。
7、本系列中設備法蘭均為凹凸麵法蘭,接管法蘭根據工藝計算選用或用戶指定。
技術參數
產品型號 | 公稱直徑DN (mm) | 換熱管規格 | 管子數 | 換熱麵積m2公稱值/計算值 | 管程通道麵積 m2 | ||
管長(mm) | |||||||
750 | 1000 | 1500 | |||||
SLH150 | 159×4.5 | Ф19 | 15 | 0.5/0.62 | 1/0.85 | 1.5/1.29 | 0.0022 |
Ф25 | 10 | 0.5/0.55 | 0.8/0.75 | 1/1.14 | 0.0027 | ||
SLH200 | 219×6 | Ф19 | 36 | 1.5/1.50 | 2/2.04 | 3.0/3.11 | 0.0053 |
Ф25 | 22 | 1/1.21 | 1.5/1.64 | 2.5/2.50 | 0.0060 | ||
SLH250 | 273×6 | Ф19 | 69 | 3/2.88 | 4/3.91 | 6/5.97 | 0.0102 |
Ф25 | 40 | 2/2.20 | 3/2.98 | 5/4.55 | 0.0110 | ||
SLH300 | 325×8 | Ф19 | 106 | / | 6/6.00 | 9/9.17 | 0.0157 |
Ф25 | 62 | 5/4.64 | 7/7.06 | 0.0170 | |||
SLH400 | 400×10 | Ф19 | 195 | / | 11/11.05 | 17/16.86 | 0.0290 |
Ф25 | 110 | 8/8.20 | 13/12.52 | 0.0301 | |||
註:(1)壓力:0.6、1.0、1.6、2.5MPa四種(真空可按0.6MPa選用)
(2)溫度:按材料許用溫度選用,本系列設計溫度為200℃,可按相關規定升溫降壓使用。
(3)材料:主要有16MnR、1Crl8Ni9Ti、Q235-A、OCrl7Nil2Mo2Ti。
安裝尺寸
參 數mm | 壓 力MPa | ||||||||||||
0.6 | 1.0 | 1.6 | 2.5 | ||||||||||
管 長 | |||||||||||||
750 | 1000 | 1500 | 750 | 1000 | 1500 | 750 | 1000 | 1500 | 750 | 1000 | 1500 | ||
接管 | L0=100 h0=239.5 | ||||||||||||
L1 | 28 | 32 | 36 | 38 | |||||||||
DN | N1-2=50 N3-4=40 N5-6=20 | ||||||||||||
臥式 支座 | A1 | 242 | 492 | 992 | 242 | 492 | 992 | 242 | 492 | 992 | 242 | 492 | 992 |
LA=250 H2=280 L2=170 K1=90 d1=20 | |||||||||||||
立式支座 | A=442 d=24 f=30 S=6 c=100 a=60 共2隻 | ||||||||||||
H1 | 72 | ||||||||||||
L1 | 742 | 992 | 1492 | 742 | 992 | 1492 | 742 | 992 | 1492 | 742 | 992 | 1492 | |
L | 892 | 1142 | 1642 | 892 | 1142 | 1642 | 892 | 1142 | 1642 | 892 | 1142 | 1642 | |
重量(kg) | 107 | 118 | 140 | 119 | 130 | 152 | 129 | 140 | 162 | 141 | 152 | 174 | |
H200型
參 數mm | 壓 力MPa | ||||||||||||
0.6 | 1.0 | 1.6 | 2.5 | ||||||||||
管 長 | |||||||||||||
750 | 1000 | 1500 | 750 | 1000 | 1500 | 750 | 1000 | 1500 | 750 | 1000 | 1500 | ||
接管 | L0=100 h0=239.5 | ||||||||||||
L1 | 30 | 32 | 38 | 40 | |||||||||
DN | N1-2=50 N3-4=50 N5-6=20 | ||||||||||||
臥式 支座 | A1 | 242 | 492 | 992 | 242 | 492 | 992 | 242 | 492 | 992 | 242 | 492 | 992 |
LA=250 H2=310 L2=215 K1=120 d1=20 | |||||||||||||
立式支座 | A=506 d=24 f=30 S=6 c=100 a=60 共2隻 | ||||||||||||
H1 | 88 | ||||||||||||
L1 | 742 | 992 | 1492 | 742 | 992 | 1492 | 742 | 992 | 1492 | 742 | 992 | 1492 | |
L | 924 | 1174 | 1674 | 924 | 1174 | 1674 | 924 | 1174 | 1674 | 924 | 1174 | 1674 | |
重量(kg) | 135 | 162 | 206 | 150 | 185 | 220 | 160 | 185 | 231 | 185 | 210 | 254 | |
H250型
參 數mm | 壓 力MPa | ||||||||||||
0.6 | 1.0 | 1.6 | 2.5 | ||||||||||
管 長 | |||||||||||||
750 | 1000 | 1500 | 750 | 1000 | 1500 | 750 | 1000 | 1500 | 750 | 1000 | 1500 | ||
接管 | L0=100 h0=239.5 | ||||||||||||
L1 | 32 | 34 | 40 | 42 | |||||||||
DN | N1-2=80 N3-4=50 N5-6=20 | ||||||||||||
臥式 支座 | A1 | 242 | 492 | 992 | 242 | 492 | 992 | 242 | 492 | 992 | 242 | 492 | 992 |
LA=250 H2=337 L2=265 K1=160 d1=20 | |||||||||||||
立式支座 | A=562 d=24 f=30 S=6 c=100 a=60 共2隻 | ||||||||||||
H1 | 88 | ||||||||||||
L1 | 742 | 992 | 1492 | 742 | 992 | 1492 | 742 | 992 | 1492 | 742 | 992 | 1492 | |
L | 952 | 1202 | 1702 | 952 | 1202 | 1702 | 952 | 202 | 1702 | 952 | 1202 | 1702 | |
重量(kg) | Ф25 | 203 | 233 | 293 | 225 | 255 | 316 | 250 | 280 | 341 | 275 | 304 | 306 |
Ф19 | - | - | - | - | - | - | - | - | - | - | - | - | |
H300型
參 數mm | 壓 力MPa | ||||||||||||||||||||||||||||||||||||||||||||
0.6 | 1.0 | 1.6 | 2.5 | ||||||||||||||||||||||||||||||||||||||||||
管 長 | |||||||||||||||||||||||||||||||||||||||||||||
1000 | 1500 | 1000 | 1500 | 1000 | 1500 | 750 | 1000 | 1500 | 750 | 1000 | 1500 | ||||||||||||||||||||||||||||||||||
接管 | L0=100 h0=322.5 | ||||||||||||||||||||||||||||||||||||||||||||
L1 | 32 | 34 | 40 | 44 | |||||||||||||||||||||||||||||||||||||||||
DN | N1-2=100 N3-4=65 N5-6=25 | ||||||||||||||||||||||||||||||||||||||||||||
臥式 支座 | A1 | ||||||||||||||||||||||||||||||||||||||||||||
LA=250 H2=337 L2=265 K1=160 d1=20 | |||||||||||||||||||||||||||||||||||||||||||||
立式支座 | A=562 d=24 f=30 S=6 c=100 a=60 共2隻 | ||||||||||||||||||||||||||||||||||||||||||||
H1 | 88 | ||||||||||||||||||||||||||||||||||||||||||||
L1 |
| ||||||||||||||||||||||||||||||||||||||||||||
L | |||||||||||||||||||||||||||||||||||||||||||||
重量(kg) | Ф25 | ||||||||||||||||||||||||||||||||||||||||||||
Ф19 | |||||||||||||||||||||||||||||||||||||||||||||
H400型
參數mm | 壓力MPa | ||||||||
0.6 | 1.0 | 1.6 | 2.5 | ||||||
管長 | |||||||||
1000 | 1500 | 1000 | 1500 | 1000 | 1500 | 1000 | 1500 | ||
接管 | L0 | 150 | |||||||
h0 | 363 | 364 | 366 | 366 | |||||
L1 | |||||||||
DN | N1-2=150 N3-4=100 N5-6=25 | ||||||||
臥式 支座 | A1 | 292 | 792 | 292 | 792 | 292 | 792 | 292 | 792 |
H2 | 411 | 412 | 414 | 414 | |||||
LA=350 L2=410 K1=280 d1=20 f1=60 B=140 R=10 t=20 S1=10 | |||||||||
立式 支座 | A | 754 | 758 | 766 | 766 | ||||
f=60 S=10 c=140 a=120 共2隻 | |||||||||
H1 | 152 | ||||||||
L1 | 992 | 1492 | 992 | 1492 | 992 | 1492 | 992 | 1492 | |
L | 1302 | 1802 | 1302 | 1802 | 1302 | 1802 | 1302 | 1802 | |
重量 (kg) | Ф25 | 492 | 617 | 515 | 640 | 592 | 715 | 627 | 752 |
Ф19 | - | - | - | - | - | - | - | - | |
型號標註
標記示例
如公稱直徑為300,公稱壓力為1.0MPa,換熱麵積為9m2,換熱管規格為ф19,材質:殼體為碳鋼,其餘為不銹鋼的高效換熱器,其型號表示為:H300-1.0—911—CS
應用舉例
某廠PBT生產工藝中第一預縮聚換熱器原用光管式換熱器規格為21m2。采用高效換熱器後,換熱麵積僅為3.6 m2,節能增效明顯。其物料參數如下:
1、管程:PBT預聚物 比重1.1t/m3,粘度1400cp,比熱0.65kcal/kg0C,導熱系數0.106kcal/m.h. 0C,流量15100kg/h,壓力0.7MPa,結垢系數0.0002m2.h0C/KJ,溫度從2400C至242.50C。
2、殼程:YD300導熱油密度840kg/m3,比熱0.63kcal/kg0C,導熱系數0.091kcal/m.h. 0C,粘度0.48cst,溫度從2700C降至2670C。
H型高效換熱器技術參數提交單
| 工作介質 | 溫度 | 工作壓力MPa | 粘度cp | 比熱 kcal/kg℃ | 導熱系數 kcal/m/h/℃ | 流量 kg/h | 結垢 系數 | 設備 材料 | |||
入口 | 出口 | |||||||||||
管程 | ||||||||||||
殼程 | ||||||||||||
N6 | ||||||||||||
N5 | ||||||||||||
N4 | ||||||||||||
N3 | ||||||||||||
N2 | ||||||||||||
N1 | ||||||||||||
符號 | 法蘭規格 | 法蘭標準 | 密封麵形式 | 數量 | 用途 | |||||||
立式支座 | 2 | / | 換熱管 規格 | Ф19 | 式管口方位: | |||||||
臥式支座 | / | 2 | Ф25 | |||||||||
名稱 | 立式 | 臥式 | 折流板 形式 | 上下 | ||||||||
數量 | 左右 | |||||||||||
SLH型高效換熱器 | 工程名稱 | |||||||||||
設計 | 型號 | 設計項目 | ||||||||||
校核 | 位號 | 選用單位 | ||||||||||
日期 | 臺數 | |||||||||||
註:1、根據實際需要填寫或選擇表項。
2、所有接管法蘭均配對供應。
3、特殊要求可另附圖表及文字說明。
4、除本系列外,本公司還可為客戶設計、制造串聯套管式高效換熱器,效果十分理想。
批發市場僅提供代購諮詢服務,商品內容為廠商自行維護,若有發現不實、不合適或不正確內容,再請告知我們,查實即會請廠商修改或立即下架,謝謝。


