| 加工定製 | 是 | 類型 | 導向元件 | 品牌 | MISUMI |
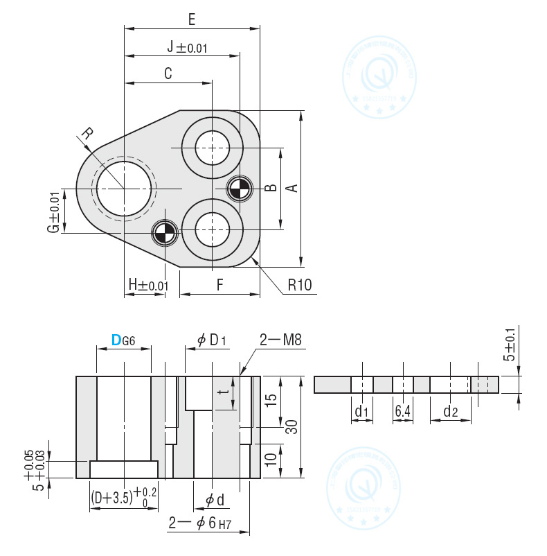
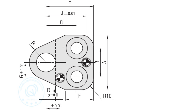
| 型號 | DP-AP13 | 適用模具類型 | 沖壓模 | 產品別名 | 固定塊 |













公司主要生產德國FIBRO汽車模具標準件、三協SANKYO標準斜楔、盤起PUNCH標準件、米思米MISUMI標準件、擋鍵、定位鍵、單向導板、自潤滑導板、耐磨板、自潤滑導套、無給油襯套、CSR等高套筒、固定塊組件、固定銷止動凹模襯套、CSR套筒式限位螺釘、側銷組件、側銷用鎖板、材料定位支架、定位導正銷、斜楔、氮氣彈簧、日標模具彈簧、日本大同彈簧;輔助導柱導套、SGP滑動導柱導套、RD、RZ、PD、PZ模架用滑動導柱組件;SRP滾珠導柱導套、PMSH(GMSH)、PKSH(GKSH)、PM(GM)、PK(GK)模架用鋼球導柱組件;TUB、TUR獨立導柱;MISUMI標準MYP、MYZP滑動導柱組件;MYAP、MYJP可動擋塊鋼球型獨立導柱;MYKP、MJKP固定擋塊獨立導柱組件;SKD11沖針、子母沖頭;圓柱銷、內螺紋合銷、MSTM定位銷等
新手教學
批發市場僅提供代購諮詢服務,商品內容為廠商自行維護,若有發現不實、不合適或不正確內容,再請告知我們,查實即會請廠商修改或立即下架,謝謝。


