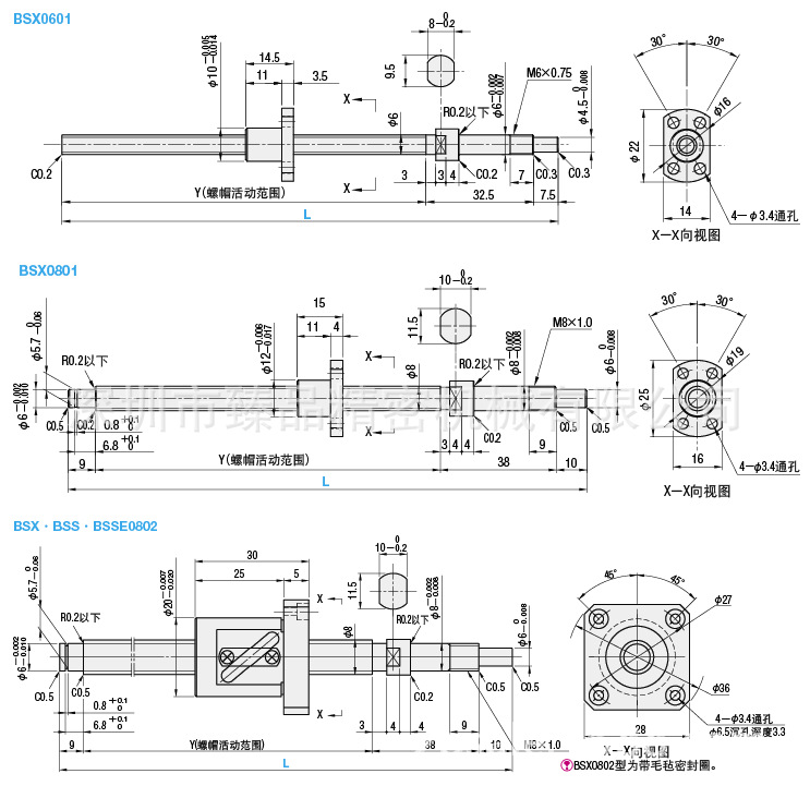
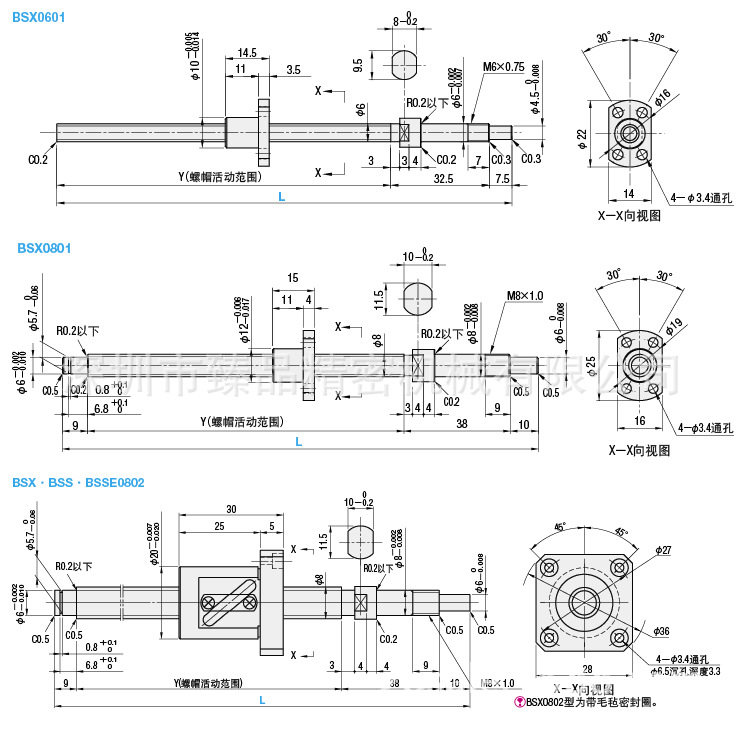
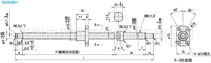
最適用於定位的精密(磨削)滾珠絲杠。
型號:BSX(緊湊型螺帽),BSS,BSSE
螺帽種類 | TYPE | 精度等級 | 絲杠直徑 | 螺距 | 絲杠軸 | 螺帽 | ||
材質 | 硬度 | 材質 | 硬度 | |||||
緊湊型螺帽 | BSX | C3 | 6`8 | 1`2 | SCM415 | 滲碳淬火58~62HRC | SCM420 | 滲碳淬火58~62HRC |
標準型螺帽 | BSS | C5 | 8 | 2 | ||||
BSSE | C7 | |||||||
深圳市臻品精密機械有限公司是一傢五金塑膠模具零部件製造商,是全麵的模具配件的提供商,致力於最新模具配件的材料研發、製造、推廣和深度應用。公司充分利用自有上遊模具材料廠的研發、生產製造資源,全方位滿足為客戶定製個性化、多樣化、單件、急件的特殊要求。承客戶多年信賴,使臻品積累瞭豐富的模具配件行業經驗,隨時可為客戶提供切實可行的解決方案。努力使我們成為客戶價值鏈中最重要的環節之一。
歡迎各位新老客戶前來咨詢、洽談。
聯系電話:0755-28056641/13751069860
QQ:1264398156
本產品規格多款,詳情請聯系業務員!



新手教學
批發市場僅提供代購諮詢服務,商品內容為廠商自行維護,若有發現不實、不合適或不正確內容,再請告知我們,查實即會請廠商修改或立即下架,謝謝。


